6050
Sök

Får inte igång en ny bilstereo i Audi a4 - 99

80 Inlägg
17 januari 2014
Trådstartare
#21
Swedenrockers skrev:
Du har ju ingen kabel med tändningsplus i kammare A7, därför måste du idag koppla ihop gul och röd kabel så som du gjort. Dessa kablar sitter mot den röd/blå kabeln i kammare A4 och då konstant matning.
Från början ska den röd/blå kabeln sitta i kammare A7, den har någon flyttat. Sedan ska det sitta en röd kabel i kammare A4 som är ansluten till ett stift på tändningslåset som heter 86S. Funktionen på den kabeln enligt schemat är att den är spänningssatt när tändningen är på, men beteckningen 86S borde egentligen betyda att den är spänningssatt från att du vrider på tändningen till att du drar ur nyckeln.

Så din röd/blå kabel som sitter i kammaren som du märkt med 1 ska egentligen sitta i den tomma kammaren bredvid den bruna och den svarta kabeln.

Den svarta kabeln i kammaren du märkt med 3 går till antennförstärkarens matning.

Kolla om du har en lossad röd kabel som är intejpad i originalstammen, den ska sitta i kammaren märkt 1, men du kan likväl sätta den i den tomma kammaren om du vill.

Okej jag tror jag blev lite klokare på det här nu!

Så den kabeln som ska gå från tändninglåset är alltså den Röda kablen du pratar om som kan vara intejpad någonstans?   Ifall det inte finns en sån kabel då? lär  jag dra en ny kabel från tändingslåset alltså?

If it's too loud...
You're too old

Living life on two wheels.....
835 Inlägg
17 januari 2014
#22
Ja, den bör finnas, det schemat jag hittade var iofs för -96 men utvecklingen brukar ju inte gå baklänges (nåja, i vissa fall gör den ju faktiskt det) , så du bör ha samma funktion i din bil.
Annars så kan du dra en ny kabel.

Angående belysningen så kolla säkring Nr. 3 (5A).
TheSerious skrev:
Så den kabeln som ska gå från tändninglåset är alltså den Röda kablen du pratar om som kan vara intejpad någonstans?   Ifall det inte finns en sån kabel då? lär  jag dra en ny kabel från tändingslåset alltså?

Garaget.org
Ditt dagcenter på nätet.

80 Inlägg
17 januari 2014
Trådstartare
#23
Swedenrockers skrev:
Ja, den bör finnas, det schemat jag hittade var iofs för -96 men utvecklingen brukar ju inte gå baklänges (nåja, i vissa fall gör den ju faktiskt det) , så du bör ha samma funktion i din bil.
Annars så kan du dra en ny kabel.

Angående belysningen så kolla säkring Nr. 3 (5A).
TheSerious skrev:
Så den kabeln som ska gå från tändninglåset är alltså den Röda kablen du pratar om som kan vara intejpad någonstans?   Ifall det inte finns en sån kabel då? lär  jag dra en ny kabel från tändingslåset alltså?


Okej okej, ska kika efter den kabeln. Tack för hjälpen! 

jag har kollat säkringen, och det är inge fel på den. Som jag skrev tidigare så koppla jag ihop gröna kabeln och röda vid stereon ( bygla). Sen starta jag stereon ( jag hade lamporna igång tidigare för spaken hade jag inte stäng av just då ).

Vilket resulterade till att Gröna kabeln som ska tända lamporna, tände ju stereon också. Vilket blev för mycket. Så de börja ju lukta bränt inne vid kablarna. Och sedan slockna lamporna ( bara vid mitten) .. .

Men de konstiga är ju att När man lägger en plus kabel mot den gröna, så lyser alla lampor starkt å fint igen. Fast konstant då, spakfunktionen blir ju inte att funka då. 

hoppas du förstår vad jag menar.  Jag undrar ju då om de kan vara nå annat fel, eller om de är kablage fel. Nånting ni/du känner igen?
Senast redigerat av TheSerious (17 januari 2014)

If it's too loud...
You're too old

Living life on two wheels.....
835 Inlägg
17 januari 2014
#24
Det låter som att dimmern eventuellt skadats, den sitter integrerad i instrumentet och eventuellt har den samband med check kontrollen också. Den (dimmern) kan ju haft för hög strömstyrka igenom sig om även stereon skulle matas med dess ström.
I värsta fall så får du kör odimmad version om du väljer att koppla den till en punkt med belysningsfunktion.
TheSerious skrev:
Okej okej, ska kika efter den kabeln. Tack för hjälpen! 

jag har kollat säkringen, och det är inge fel på den. Som jag skrev tidigare så koppla jag ihop gröna kabeln och röda vid stereon ( bygla). Sen starta jag stereon ( jag hade lamporna igång tidigare för spaken hade jag inte stäng av just då ).

Vilket resulterade till att Gröna kabeln som ska tända lamporna, tände ju stereon också. Vilket blev för mycket. Så de börja ju lukta bränt inne vid kablarna. Och sedan slockna lamporna ( bara vid mitten) .. .

Men de konstiga är ju att När man lägger en plus kabel mot den gröna, så lyser alla lampor starkt å fint igen. Fast konstant då, spakfunktionen blir ju inte att funka då. 

hoppas du förstår vad jag menar.  Jag undrar ju då om de kan vara nå annat fel, eller om de är kablage fel. Nånting ni/du känner igen?

Garaget.org
Ditt dagcenter på nätet.

80 Inlägg
17 januari 2014
Trådstartare
#25
Swedenrockers skrev:
Det låter som att dimmern eventuellt skadats, den sitter integrerad i instrumentet och eventuellt har den samband med check kontrollen också. Den (dimmern) kan ju haft för hög strömstyrka igenom sig om även stereon skulle matas med dess ström.
I värsta fall så får du kör odimmad version om du väljer att koppla den till en punkt med belysningsfunktion.

hmm lät ju inge vidare och det låter mest troligt också.. Vart sitter dimmern? bakom mittkonsolen?
Är det något man kan fixa? 

Om de nu är dyrt/svårt/omöjligt att fixa dimmern, och väljer att koppla den till en punkt med belysningsfunktion. Vart ska jag koppla den? De lättaste vore ju att kunna koppla den till stereo remoten på nåt vis, Så när man startar stereon så tänds det.. Eller de kanske blir samma sak om tabben jag gjorde?

If it's too loud...
You're too old

Living life on two wheels.....
835 Inlägg
17 januari 2014
#26
Nja, som jag skrev nyss så är den inbyggd i instrumentet enligt elschemat. Är den det får du nog plocka ur hela instrumentet för att göra nåt åt den.

Du kan koppla in den kabeln efter säkring 3, den kommer ju därifrån men passerar instrumentet och dimmern innan den kommer till lamporna i knapparna. Du kan även koppla in dig på kabeln till handskfacksbelysningen.
Funkar handskfacksbelysningen för övrigt?
TheSerious skrev:
hmm lät ju inge vidare och det låter mest troligt också.. Vart sitter dimmern? bakom mittkonsolen?
Är det något man kan fixa? 

Om de nu är dyrt/svårt/omöjligt att fixa dimmern, och väljer att koppla den till en punkt med belysningsfunktion. Vart ska jag koppla den? De lättaste vore ju att kunna koppla den till stereo remoten på nåt vis, Så när man startar stereon så tänds det.. Eller de kanske blir samma sak om tabben jag gjorde?
Senast redigerat av Swedenrockers (17 januari 2014)

Garaget.org
Ditt dagcenter på nätet.

80 Inlägg
17 januari 2014
Trådstartare
#27
Swedenrockers skrev:
Nja, som jag skrev nyss så är den inbyggd i instrumentet enligt elschemat. Är den det får du nog plocka ur hela instrumentet för att göra nåt åt den.

Du kan koppla in den kabeln efter säkring 3, den kommer ju därifrån men passerar instrumentet och dimmern innan den kommer till lamporna i knapparna. Du kan även koppla in dig på kabeln till handskfacksbelysningen.
Funkar handskfacksbelysningen för övrigt?

okej okej! Ja handsfackbelysningen funkar kanoners! Den funkar så att när man vrider på spaken så tänds belysningen i handsfacket. Så de vore ju bara perfekt att koppla den till belysningen där istället.

Fan alltså.. jag har grubblat på de här nu i snart 2månader trorja, skrivit på forum men ingen har svarat. Å äntligen ser de ut som att jag har fått svar på allting! du är guldvärd !



Men hur ska jag bära mig åt då? Kan man få tag på kabeln vid kablaget bakom stereon? eller lär man dra en kabel från belysningen från handsfacket?
Senast redigerat av TheSerious (17 januari 2014)

If it's too loud...
You're too old

Living life on two wheels.....
835 Inlägg
18 januari 2014
#28
Nja, det gäller ju att se trådarna också smile
Hur som så är det mycket enklare om man hittar ett schema och det verkar ju fungera med ett till -96:or också, åtminstone i detta fallet.
TheSerious skrev:
okej okej! Ja handsfackbelysningen funkar kanoners! Den funkar så att när man vrider på spaken så tänds belysningen i handsfacket. Så de vore ju bara perfekt att koppla den till belysningen där istället.

Fan alltså.. jag har grubblat på de här nu i snart 2månader trorja, skrivit på forum men ingen har svarat. Å äntligen ser de ut som att jag har fått svar på allting! du är guldvärd !

Garaget.org
Ditt dagcenter på nätet.

80 Inlägg
18 januari 2014
Trådstartare
#29
Swedenrockers skrev:
Nja, det gäller ju att se trådarna också smile
Hur som så är det mycket enklare om man hittar ett schema och det verkar ju fungera med ett till -96:or också, åtminstone i detta fallet.

Jajo, men är inte så duktig på att läsa av elscheman dock, hehe.  Men du kanske vet nån bra sida på elscheman? så kan jag försöka "plugga" lite. Tänkte nämligen kolla på det där senare under dagen idag!

If it's too loud...
You're too old

Living life on two wheels.....
835 Inlägg
18 januari 2014
#30
Jag menade att man skulle se trådarna som görs här på garaget smile
Nej, det kan vara knepigt med elscheman, men de bättre ( i mitt tycke) är VAG:s egna, lär man sig uppbyggnaden på dessa så är det en baggis. Det är inte helt lätt att hitta det man vill ha på nätet dock men det finns bra sätt att söka på.
Jag kan lägga upp en del av det jag hittade så får vi se om de får vara kvar. De är antagligen upphovsrättsskyddade, men om jag spelar dum och säger att då borde de väl inte finnas tillgängliga på nätet?
TheSerious skrev:
Swedenrockers skrev:
Nja, det gäller ju att se trådarna också smile
Hur som så är det mycket enklare om man hittar ett schema och det verkar ju fungera med ett till -96:or också, åtminstone i detta fallet.

Jajo, men är inte så duktig på att läsa av elscheman dock, hehe.  Men du kanske vet nån bra sida på elscheman? så kan jag försöka "plugga" lite. Tänkte nämligen kolla på det där senare under dagen idag!

Garaget.org
Ditt dagcenter på nätet.

Living life on two wheels.....
835 Inlägg
18 januari 2014
#31
Jag har ringat in det intressanta med blå ram. Lämpliga inkopplingspunkter är under säkringscentralen (på bilden alltså, inte fysiskt i bilen), där du har flera grå/gröna kablar till bl.a Handskfacksbelysning/ Lyktspolningsrelät/ Instrumentet med dimmern.
Detta är gäller för belysningen i knapparna.
https://www1.garaget.org/gallery/images/179/178332/178332-1b23b032cece3a816fb97f2b721b5799.jpg

Garaget.org
Ditt dagcenter på nätet.

Living life on two wheels.....
835 Inlägg
18 januari 2014
#32
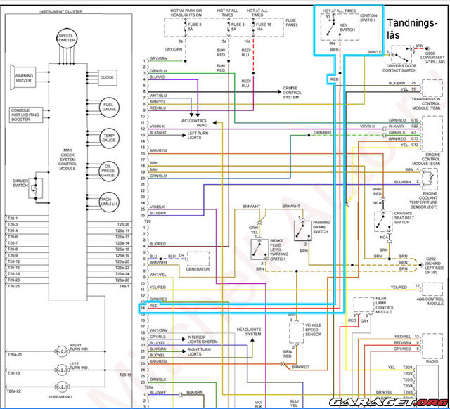
Här är ett schema på bl.a tändningslåset. Där ser du ett stift märkt 86S och den ska gå till bl.a radion för att styra till- och frånslag.
Den inkopplingen syns inte på detta schema.

https://www1.garaget.org/gallery/images/179/178332/178332-de3175206d06630def6819308adacaca.jpg

Garaget.org
Ditt dagcenter på nätet.

Living life on two wheels.....
835 Inlägg
18 januari 2014
#33
På detta schema syns kabeln från tändningslåset till stereon. Det är denna du behöver hitta på eller så får du dra en egen.

https://www1.garaget.org/gallery/images/179/178332/178332-fba2c95186f6c3fe5f744052b3e515e1.jpg

Garaget.org
Ditt dagcenter på nätet.

80 Inlägg
18 januari 2014
Trådstartare
#34
Swedenrockers skrev:
Jag har ringat in det intressanta med blå ram. Lämpliga inkopplingspunkter är under säkringscentralen (på bilden alltså, inte fysiskt i bilen), där du har flera grå/gröna kablar till bl.a Handskfacksbelysning/ Lyktspolningsrelät/ Instrumentet med dimmern.
Detta är gäller för belysningen i knapparna.
http://www1.garaget.org/gallery/images/179/178332/178332-1b23b032cece3a816fb97f2b721b5799.jpg

tack så hjärtligt för dessa bilder! Men en sak jag inte riktigt hittade bland dessa bilder var att - varför går det en orange kabel in till stereon som ska vara till belysningen? Finns det någon viktig anledning till det? För jag tänkte nämligen som så att om jag nu finner kabeln till handsfackbelysningen. Så tänkte jag ju då försöka koppla ihop den oranga som går in till stereon, till handsfackbelysnings kabeln.

Och det är väl  5A säkring för handsfackbelysningen som det är för lamporna ?



Edit.

Jag var ut å kolla lite igen, som de ser ut nu så krävs det att ta bort lite delar för att få fram kabeln till handskfacket.
Så jag kom på en annan idé. Remoten som går från stereon och sen ut till eventuellt slutsteg. Jag koppla ihop den oranga kabeln som kom från belysningen in till stereo, till remoten.
Så nu tänds lamporna bara när stereon är igång. Det får bli så här nu tillfälligt tills de blir mildare ute för att skruva bort panelen och greja.

Så nu ser det ut så här
http://i.imgur.com/cDJl5df.jpg
Senast redigerat av TheSerious (18 januari 2014)

If it's too loud...
You're too old

VAGIS Car Club
1 093 Inlägg
18 januari 2014
#35
Jag får tacka jag med! Perfekt med kopplingscheman, nu fick jag ordning på sista tåtarna bakom stereon med, dock har jag bara saknat att den startar upp samtidigt som bilstart. Tack och bock! smile

2005 A3 Sportback 3.2L -> DTM Facelift
Quattro | 18" OZ-Superturismo | 250Hk VR6 | TT seats (-16) | A3 2012 facelift console | 2DIN conversion
2012 Exterior Facelift | Black Optic | Full courtesy LED | 7" LED touch screen |
DTM-Exterior | RS3 spoiler |

Living life on two wheels.....
835 Inlägg
18 januari 2014
#36
Du menar den orangea som är till eftermarknadsstereon? Den har lite olika funktion beroende på årgång och modell, men ofta styrs ljusstyrkan på stereons knappar och display av den kabeln.
Inte ovanligt att belysningen dämpas i stereon när 'man vrider på det riktiga' ljusläget som man gör på en del bilar när det blir mörkt. Många upplever att stereon lyser för starkt i mörkret om den har samma intensitet som i dagsljus.
Ja det är bara att koppla ihop dessa, eventuellt så får du gå in i stereons meny och ställa in ljusstyrkan för de olika lägena om den stöder denna funktion.

Ja om du kollar på det första schemat så ser du att en av de grå/gröna kablarna är märkt med Glove compartment light, och alla dessa grå/gröna kablar är avsäkrade av säkring Nr. 3 som ska vara på 5A.
Personligen så skulle jag lossa panelen ovanför pedalerna och lossat säkringscentralen för att koppla in mig i närheten av den. Det är 'ju bara' att kika bakom säkring 3 och ansluta sig där.

Jag skulle inte kopplat ihop remoten med belysningen, jag tror utan att ha räknat på det att lamporna drar i överkant av vad remoten presterar.

TheSerious skrev:
tack så hjärtligt för dessa bilder! Men en sak jag inte riktigt hittade bland dessa bilder var att - varför går det en orange kabel in till stereon som ska vara till belysningen? Finns det någon viktig anledning till det? För jag tänkte nämligen som så att om jag nu finner kabeln till handsfackbelysningen. Så tänkte jag ju då försöka koppla ihop den oranga som går in till stereon, till handsfackbelysnings kabeln.

Och det är väl  5A säkring för handsfackbelysningen som det är för lamporna ?



Edit.

Jag var ut å kolla lite igen, som de ser ut nu så krävs det att ta bort lite delar för att få fram kabeln till handskfacket.
Så jag kom på en annan idé. Remoten som går från stereon och sen ut till eventuellt slutsteg. Jag koppla ihop den oranga kabeln som kom från belysningen in till stereo, till remoten.
Så nu tänds lamporna bara när stereon är igång. Det får bli så här nu tillfälligt tills de blir mildare ute för att skruva bort panelen och greja.

Så nu ser det ut så här
http://i.imgur.com/cDJl5df.jpg

Garaget.org
Ditt dagcenter på nätet.

Living life on two wheels.....
835 Inlägg
18 januari 2014
#37
Ja det blir lite lättare med elschema.
Lugnt vettu smile
t_one21 skrev:
Jag får tacka jag med! Perfekt med kopplingscheman, nu fick jag ordning på sista tåtarna bakom stereon med, dock har jag bara saknat att den startar upp samtidigt som bilstart. Tack och bock! smile

Garaget.org
Ditt dagcenter på nätet.

80 Inlägg
18 januari 2014
Trådstartare
#38
Swedenrockers skrev:
Du menar den orangea som är till eftermarknadsstereon? Den har lite olika funktion beroende på årgång och modell, men ofta styrs ljusstyrkan på stereons knappar och display av den kabeln.
Inte ovanligt att belysningen dämpas i stereon när 'man vrider på det riktiga' ljusläget som man gör på en del bilar när det blir mörkt. Många upplever att stereon lyser för starkt i mörkret om den har samma intensitet som i dagsljus.
Ja det är bara att koppla ihop dessa, eventuellt så får du gå in i stereons meny och ställa in ljusstyrkan för de olika lägena om den stöder denna funktion.

Ja om du kollar på det första schemat så ser du att en av de grå/gröna kablarna är märkt med Glove compartment light, och alla dessa grå/gröna kablar är avsäkrade av säkring Nr. 3 som ska vara på 5A.
Personligen så skulle jag lossa panelen ovanför pedalerna och lossat säkringscentralen för att koppla in mig i närheten av den. Det är 'ju bara' att kika bakom säkring 3 och ansluta sig där.

Jag skulle inte kopplat ihop remoten med belysningen, jag tror utan att ha räknat på det att lamporna drar i överkant av vad remoten presterar.

TheSerious skrev:
tack så hjärtligt för dessa bilder! Men en sak jag inte riktigt hittade bland dessa bilder var att - varför går det en orange kabel in till stereon som ska vara till belysningen? Finns det någon viktig anledning till det? För jag tänkte nämligen som så att om jag nu finner kabeln till handsfackbelysningen. Så tänkte jag ju då försöka koppla ihop den oranga som går in till stereon, till handsfackbelysnings kabeln.

Och det är väl  5A säkring för handsfackbelysningen som det är för lamporna ?



Edit.

Jag var ut å kolla lite igen, som de ser ut nu så krävs det att ta bort lite delar för att få fram kabeln till handskfacket.
Så jag kom på en annan idé. Remoten som går från stereon och sen ut till eventuellt slutsteg. Jag koppla ihop den oranga kabeln som kom från belysningen in till stereo, till remoten.
Så nu tänds lamporna bara när stereon är igång. Det får bli så här nu tillfälligt tills de blir mildare ute för att skruva bort panelen och greja.

Så nu ser det ut så här
http://i.imgur.com/cDJl5df.jpg


Ja men de har du rätt i! Ska kolla in det istället, verkar vara lite lättare också.


Okej, men jag misstänkte att lamporna ska vara 12v. Och remoten matar ju ut ca 12v, därför ser jag inga problem med denna koppling.
Menar du då att lamporna kan få för mycket ström istället och slutligen gå sönder efter ett tag?
För som sagt, detta ska vara tillfälligt. Nu när det är vinter och mörkt så behöver jag dessa lampor och kände att detta var en ok lösning.

If it's too loud...
You're too old

Living life on two wheels.....
835 Inlägg
19 januari 2014
#39
Absolut, och om du dessutom ska ha koppla in dig på tändningslåset så är du på rätt ställe. I kabelstammen vid rattstången så har du den röda kabeln som går från 86S i tändningslåset. Bara att mäta efter rätt kabel där.
TheSerious skrev:
Ja men de har du rätt i! Ska kolla in det istället, verkar vara lite lättare också.


Okej, men jag misstänkte att lamporna ska vara 12v. Och remoten matar ju ut ca 12v, därför ser jag inga problem med denna koppling.
Menar du då att lamporna kan få för mycket ström istället och slutligen gå sönder efter ett tag?
För som sagt, detta ska vara tillfälligt. Nu när det är vinter och mörkt så behöver jag dessa lampor och kände att detta var en ok lösning.

Garaget.org
Ditt dagcenter på nätet.


Sök