7322
Sök

Volvo 855 RWD och breddning

JSH Konsult
329 Inlägg
5 december 2011
Trådstartare
#281
BlackFlash skrev:
Grymt kul projekt. kom ihåg att det bara är döda fiskar som följer strömmen wink synd att du inte tar 850 fronten, den var riktigt frän! keep it up smile

ja det kan ev bli can am på v70 fronten med,,, beror lite på vad spårvidden blir fram
tack!!!!! big_smile

En kunglig hovleverantör av bra skit
855 RWD
Passat 3B 18 zoll

JSH Konsult
329 Inlägg
5 december 2011
Trådstartare
#282
JofooN skrev:
niiiiiice smile

hehe ja elen tar lite tid faan

En kunglig hovleverantör av bra skit
855 RWD
Passat 3B 18 zoll

JSH Konsult
329 Inlägg
5 december 2011
Trådstartare
#283
robininfOCUS skrev:
Tur det är 12v bara wink smile

jo men ändå mycket kablar som måste redas ut

En kunglig hovleverantör av bra skit
855 RWD
Passat 3B 18 zoll

JSH Konsult
329 Inlägg
5 december 2011
Trådstartare
#284
RoxxoR1993 skrev:
Läst igenom tråden nu. Längtar tills den är klar!

Prenumerera på denna tråd? Japp!

LÄTT!!!! big_smilebig_smilebig_smile

En kunglig hovleverantör av bra skit
855 RWD
Passat 3B 18 zoll

JSH Konsult
329 Inlägg
5 december 2011
Trådstartare
#285
jok3 skrev:
Härligt. Hade själv gett upp för länge sen big_smile

jasså,,, jag e ganska envis,,, så länge det e kul så e det barre att köra på!!

En kunglig hovleverantör av bra skit
855 RWD
Passat 3B 18 zoll

486 Inlägg
5 december 2011
#286
Nu har jag läst hela tråden, slutför du inte bygget kommer jag bli MAD!  "Prenumerera på denna tråd"<------Klick


JSH Konsult
329 Inlägg
6 december 2011
Trådstartare
#287
KJensen skrev:
Nu har jag läst hela tråden, slutför du inte bygget kommer jag bli MAD!  "Prenumerera på denna tråd"<------Klick

ja vad roligt att folk tycker det e intressant å rolig läsning smile
Det UPPSKATTAS!!! hehe
tack

En kunglig hovleverantör av bra skit
855 RWD
Passat 3B 18 zoll

JSH Konsult
329 Inlägg
6 december 2011
Trådstartare
#288
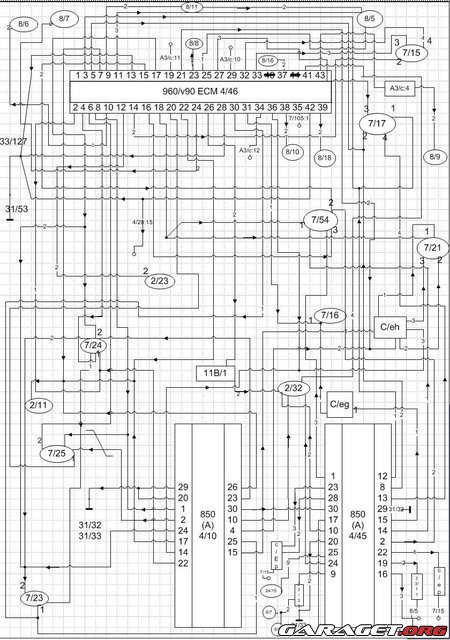
tjena alla monsterdiggare nu e elschemat färdig ritat.. å det e lite skillnad från förra bilden jag la upp

så här ser det ut barre !!!

https://www1.garaget.org/gallery/images/150/149003/149003-1cc0cfc550afa898d29af8ad8985ea33.jpg

En kunglig hovleverantör av bra skit
855 RWD
Passat 3B 18 zoll

1 213 Inlägg
6 december 2011
#289
Vart mycke jobb med elen. Vilket program har du använt när du ritat elschemat?

När hör en V8, då tänder på alla cylindrar :D
Bmw, Volvo & Jänkare gör livet värt att leva.
Princess of the road.

JSH Konsult
329 Inlägg
6 december 2011
Trådstartare
#290
Lina- skrev:
Vart mycke jobb med elen. Vilket program har du använt när du ritat elschemat?

ja tror det vart 11 timmar totalt,,,    Microsoft Visio 2003 full

En kunglig hovleverantör av bra skit
855 RWD
Passat 3B 18 zoll

329 Inlägg
6 december 2011
#291
Inte för att jag fattar jättemycket av det där elschemat,  men jäklar vad imponerad jag är! Cooolt att du sitter och ritar ett eget elschema! smile  Lycka till i framtiden, och väntar med spänning på att se slutresultatet! smile

Kör hårt

187 Inlägg
6 december 2011
#292
Rwd,det var ju SÅ den borde ha lämnat fabriken smile lycka till och mkt bra jobbat!

Never underestimate the power of stupid people in large groups...

JSH Konsult
329 Inlägg
6 december 2011
Trådstartare
#293
MeRoll88 skrev:
Inte för att jag fattar jättemycket av det där elschemat,  men jäklar vad imponerad jag är! Cooolt att du sitter och ritar ett eget elschema! smile  Lycka till i framtiden, och väntar med spänning på att se slutresultatet! smile

Kör hårt

Ja det  e du inte ensam om.. kanske e 2 av 15 som fattar hur elscheman e uppbyggt å förstår själva strukturen
Ja det ska jag!!!

En kunglig hovleverantör av bra skit
855 RWD
Passat 3B 18 zoll

JSH Konsult
329 Inlägg
6 december 2011
Trådstartare
#294
Svanb3rg skrev:
Rwd,det var ju SÅ den borde ha lämnat fabriken smile lycka till och mkt bra jobbat!

Ja det borde väl varit så,, men tur ändå,,, då har jag ju nått att göra,, det e ju lite roligare med nått man byggt själv..

gott som faan smile
Senast redigerat av Sevenfold (6 december 2011)

En kunglig hovleverantör av bra skit
855 RWD
Passat 3B 18 zoll

121 Inlägg
8 december 2011
#295
prenumeration lagd! extremt imponerande!

JSH Konsult
329 Inlägg
9 december 2011
Trådstartare
#296
Yes!!!! idag var jag iväg å hämtade min efterlängtade ZF låda till bygget
måste bara svetsa om svepet..

håll till god0 smile
https://www1.garaget.org/gallery/images/150/149003/149003-68ab2cb9c9dbf999eb744e5a8ad07c0d.jpg
det sitter vinkel växel på lådan på bilden ,,,,,å den e tillsalu........

ZF is the shit
https://www1.garaget.org/gallery/images/150/149003/149003-a9cb3ac41e1cbdf80a265b7675f27bd9.jpg

vättigt som tusan
Senast redigerat av Sevenfold (9 december 2011)

En kunglig hovleverantör av bra skit
855 RWD
Passat 3B 18 zoll

730 Inlägg
9 december 2011
#297
Behåll annars vinkelväxlen och använd den wink

JSH Konsult
329 Inlägg
9 december 2011
Trådstartare
#298
Sjodahl skrev:
Behåll annars vinkelväxlen och använd den wink

tyvär e transbox lådan bara en svag länk på detta bygge eftersom det blir gott med NM sen men dubbla sniglar å annan stroke,,.. så den går bort pga att jag vill inte bygga om igen sen när det blir hallonpaj av den.
även kallat. "rent hus" tongue

En kunglig hovleverantör av bra skit
855 RWD
Passat 3B 18 zoll

JSH Konsult
329 Inlägg
9 december 2011
Trådstartare
#299
En lite smygtitt på nya fräscha V90 bakvagnen (Blästrad)
https://www1.garaget.org/gallery/images/150/149003/149003-e9b7486ace95f8d8f161ec4b30ba646c.jpg

En kunglig hovleverantör av bra skit
855 RWD
Passat 3B 18 zoll

1 213 Inlägg
9 december 2011
#300
Fint med nyblästrat. smile

När hör en V8, då tänder på alla cylindrar :D
Bmw, Volvo & Jänkare gör livet värt att leva.
Princess of the road.


Sök