4851
Sök

Spräng skiss för sol lucka audi 80

250 Inlägg
18 december 2008
Trådstartare
#1
ja det är som ämmnet säger är på jakt efter en Skiss
på hur jag jag ska laga min vev till sol luckan  då min är trasig.

Om något funkar skruvar genast isär kolla vad felet är :D

Försöker iaf
12 819 Inlägg
18 december 2008
#2
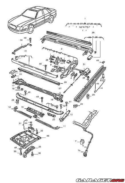
Vad för årsmodell? Denna är till en 93. men det bör vara samma års 87-


https://www1.garaget.org/gallery/archive/27325/523051_bglcki.jpg
Klicka på`t för att få större bild.




Mvh Tommy
Senast redigerat av te_wik (18 december 2008)

Ställ inte cykeln utanför stället, ställ den i stället istället.
Projekttråden - Handlar om en gammel Audi 100 2.3E och en Audi 100 Tqs. Typ44, det är kärlek det!

250 Inlägg
18 december 2008
Trådstartare
#3
års modellen är 90 så den ska funka

Om något funkar skruvar genast isär kolla vad felet är :D

250 Inlägg
22 december 2008
Trådstartare
#4
finns det rep sats till detta ?

Om något funkar skruvar genast isär kolla vad felet är :D

Försöker iaf
12 819 Inlägg
22 december 2008
#5
Chn90 skrev:
finns det rep sats till detta ?

jaa.. men det är inte billigt. Kolla med VAG, finns inte pirat.

Mvh Tommy

Ställ inte cykeln utanför stället, ställ den i stället istället.
Projekttråden - Handlar om en gammel Audi 100 2.3E och en Audi 100 Tqs. Typ44, det är kärlek det!

250 Inlägg
25 december 2008
Trådstartare
#6
den enda jag behöver 2 skruv en fjäder brickan så kan få ihpå detta, vag ? har aldrig hört om ?

Om något funkar skruvar genast isär kolla vad felet är :D

168 Inlägg
25 december 2008
#7
Skruva loss från en liknande på någon skrot nära dig, blir billigare ifall du hittar det du söker efter där.

250 Inlägg
27 december 2008
Trådstartare
#8
har kollat men det finns ju bara med tak, nedrans men har kollat lite noga på detta och jag kan lösa detta
så tråden kan låsas nu.  tack för skissen iallfall

Om något funkar skruvar genast isär kolla vad felet är :D

Försöker iaf
12 819 Inlägg
27 december 2008
#9
Chn90 skrev:
har kollat men det finns ju bara med tak, nedrans men har kollat lite noga på detta och jag kan lösa detta
så tråden kan låsas nu.  tack för skissen iallfall

Skriv gärna hur du löst det så andra kanske kan få hjälp av det ifall de söker nångång (ofta...tongue )


Mvh Tommy

Ställ inte cykeln utanför stället, ställ den i stället istället.
Projekttråden - Handlar om en gammel Audi 100 2.3E och en Audi 100 Tqs. Typ44, det är kärlek det!

250 Inlägg
29 december 2008
Trådstartare
#10
te_wik skrev:
Chn90 skrev:
har kollat men det finns ju bara med tak, nedrans men har kollat lite noga på detta och jag kan lösa detta
så tråden kan låsas nu.  tack för skissen iallfall

Skriv gärna hur du löst det så andra kanske kan få hjälp av det ifall de söker nångång (ofta...tongue )


Mvh Tommy

ja kolla med veven till soluckan och testade om jag kunde öpnna i olika lägen, det kunde jag göra
så det vara bara komma på en en lösning att den skulle sitta på plats så det var bara att hitta en skruv som  då kunde låsa veven på plats.

Om något funkar skruvar genast isär kolla vad felet är :D


Sök