6199
Sök

Huir plocka ner Värme pkt på Audi 80 -90

250 Inlägg
12 januari 2009
Trådstartare
#1
Tjeanre

nu är det så att jag mmåste byta mitt värme pkt då detta sa upp sig och jag underar hur jag lättast tar
ner pkt på min Audi 80 1,8 s årsmodell 90.
om dett finns ngn sprängskiss hade jag vart tacksam för detta.

tackar på förhand

Om något funkar skruvar genast isär kolla vad felet är :D

460 Inlägg
16 januari 2009
#2
du måste ur med hela brädan har jag för mig. tyvärr

35 Inlägg
16 januari 2009
#3
jupp hela brädan måste ut=(.. gjorde ett sådant jobb på jobbet för Ca ett år sedan.. ett rent helvete men det går med lite tid=)

Audi/Wv mek
148 Inlägg
16 januari 2009
#4
hur har det sagt upp sig då?? tänkte om det går att fixa utan att ta ur de!

Det är inget fel på min hjulinställning, det är din inställning till mina hjul!

250 Inlägg
3 juli 2009
Trådstartare
#5
bilen koka för mig sen hade jag bara vatten och glykol i hela föra sidan

Om något funkar skruvar genast isär kolla vad felet är :D

Försöker iaf
12 819 Inlägg
3 juli 2009
#6
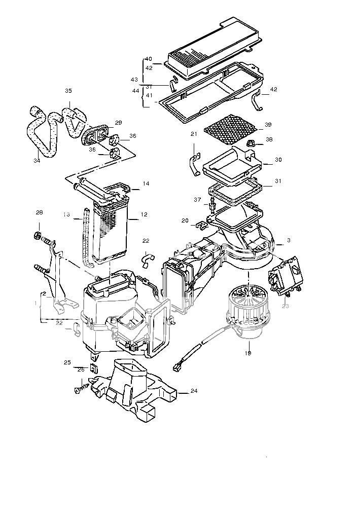
Såhär ser själva värmepaketet ut:
http://i536.photobucket.com/albums/ff329/te_wik/vrmepaketA80.jpg?t=1246620117

Kanske inte säger så mycket om hur mycket du måste demontera.


Mvh Tommy

Ställ inte cykeln utanför stället, ställ den i stället istället.
Projekttråden - Handlar om en gammel Audi 100 2.3E och en Audi 100 Tqs. Typ44, det är kärlek det!


Sök