3915
Sök

Ford automatlåda 5R55N

659 Inlägg
måndag 22:15
Trådstartare
#1
jag tänker på att ta motorpaket från en jaguar s type 3.0 v6 med automatlåda 5R55N.
det är en elektronisk låda så frågan är.. finns det en typ universal styrbox till dessa lådor när man
lägger dom i en annan bil ?
det finns ju till många andra elektroniska lådor
har googlar men hittar inget

659 Inlägg
för 20 timmar sedan
Trådstartare
#2
ingen som kan nått om dessa lådor ?????
har frågat några firom i usa som gör dessa controler till olika lådor, men dom svarar ju alldrig

3 188 Inlägg
för 19 timmar sedan
#3
Utan att veta ett dyft om dessa lådor så tippar jag på att det går att använda flertalet eftermarknadssprut.
T.ex Microsquirt, MaxxECU, m.fl.
Detta är ju då rätt så universal, men kräver någon som kan "mappa".

Vad kräver TCM ifrån donatorbilen för att fungera?
Tänker om man kan hotrodda lite och få originalstyrdonet att lira i nya bilen.


659 Inlägg
för 16 timmar sedan
Trådstartare
#4
Jesper328 skrev:
Utan att veta ett dyft om dessa lådor så tippar jag på att det går att använda flertalet eftermarknadssprut.
T.ex Microsquirt, MaxxECU, m.fl.
Detta är ju då rätt så universal, men kräver någon som kan "mappa".

Vad kräver TCM ifrån donatorbilen för att fungera?
Tänker om man kan hotrodda lite och få originalstyrdonet att lira i nya bilen.

tack för ditt svar jesper
det med tcm är det jag försöker hitta svar på. jag vet inte med dessa lådor
det finns liksom inget på nätet.
det sluter kanske men trail and error altså bara testa o hoppas på det bästa
jag köper en hel fungerande bil, så det ju bara börja klippa o klistra i elsystemet
jag vet firmor i usa som sysslar med stand alone control till olika automat lådor,
men denna är inte med i deras sortiment o dom svarar såklart inte på mail
lådan i fråga är en ford men sitter i jaguar s-type
det var på den tiden ford ägde jaguar
kan man styra en automatlåda med ett maxecu ? det var nytt för mej
o som du säger vem kan mappa detta, det ju lite specielt

659 Inlägg
för 4 timmar sedan
Trådstartare
#5
nu har jag kollad lite på detta med att styra lådan med max ecu. men va jag kan se är det bara vissa lådor man kan styra.

3 188 Inlägg
för 41 minuter sedan
#6
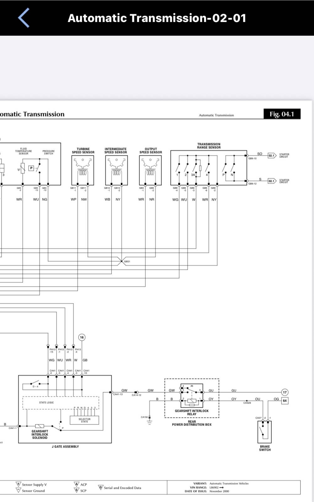
https://www1.garaget.org/gallery/images/185/184737/184737-2fb897fea695a13c0dc41d1f6e131ba7.jpg

https://www1.garaget.org/gallery/images/185/184737/184737-0d9b087a685e829c218494994697849b.jpg

Slog ett öga på lite kretsscheman.
Detta till en -01a, kanske skiljer sig över årsmodeller.
Hursomhelst så verkar det som att motorstyrdonet i sig sköter lådan också, och då blir det definitivt lite enklare om du tänkt att använda detta styrdon för motorn också.

Det är nog fullt möjligt att få detta att lira.
Motorstyrdonet/PCM har ju en kommunikationsslinga med andra styrdon, men jag misstänker att den gärna använder sig av hastighetsgivarna i lådan istället för hjulhastigheter.
Antagligen en kombo av båda till viss del, men kommer ändå att vara fullt körbar utan hjulhastigheterna.

Jag tror att du fixar detta utan några eftermarknadssystem. smile


659 Inlägg
för 29 minuter sedan
Trådstartare
#7
han inte se ditt svar jesper du skickade när jag skrev.
idag har jag kommit lite närmare
det finns ingen TCM men en PCM power  control module
som är en sammanslagning av ecm engine control module o tcm
den har alltså bara en elektronik box som styr båda motor o låda
många konstiga namn :-)
vart brukar en ecm o tmc ta sina signaler ifrån.
mest intr av dom signaler som inte kommer från motor o låda
typ abs osv
är det bara abs kan man kanske lura boxen vid att montera en abs ring
o ta signalen från den
vet man det kan man kanske klippa o klistra elsystemet
Senast redigerat av doktorduett (för 26 minuter sedan)

659 Inlägg
för 23 minuter sedan
Trådstartare
#8
Jesper328 skrev:
https://www1.garaget.org/gallery/images/185/184737/184737-2fb897fea695a13c0dc41d1f6e131ba7.jpg

https://www1.garaget.org/gallery/images/185/184737/184737-0d9b087a685e829c218494994697849b.jpg

Slog ett öga på lite kretsscheman.
Detta till en -01a, kanske skiljer sig över årsmodeller.
Hursomhelst så verkar det som att motorstyrdonet i sig sköter lådan också, och då blir det definitivt lite enklare om du tänkt att använda detta styrdon för motorn också.

Det är nog fullt möjligt att få detta att lira.
Motorstyrdonet/PCM har ju en kommunikationsslinga med andra styrdon, men jag misstänker att den gärna använder sig av hastighetsgivarna i lådan istället för hjulhastigheter.
Antagligen en kombo av båda till viss del, men kommer ändå att vara fullt körbar utan hjulhastigheterna.

Jag tror att du fixar detta utan några eftermarknadssystem. smile

kanon. men hur f** lyckades du hitta det elskema ??? jag är nock inte så bra på att goggla
ja det får nock bli klippa o klistra som man gjorde förut med cheva van.
det kan bara gå åt helvete :-)
tack för ditt visade intr.


Sök