3902
Sök

Is på insidan av bilrutan.... läcker in fukt? (Honda Accord 92)

335 Inlägg
fredag 21:46
Trådstartare
#1
Märkt av ett himla drygt fenomen nu under vintern, bilrutans insida är full i is, som jag måste skrapa bort. Har ställt en avfuktare (torrboll) i bilen men verkar inte göra så stor nytta. Misstänker att det läcker in fukt någonstans, men kan inte komma på var, eller hur man kan lokaisera detta enklast. Vet inte om det hör till vanligheterna heller. Tar ju en stund innan fläkten blir varm och kan börja tina ev is på rutan. Ingen höjdare att stå på tomgång i flera minuter i onödan om det går att lösa på annat sätt..

941 Inlägg
fredag 22:55
#2
Börja med att kolla så inte värmepaketet läcker, ganska vanligt fel. Då ska det synas genom att det är blött under mattorna, vanligast på passagerarsidan men även förarsidan bör du kolla. Alltså inte dom lösa mattorna i gummi eller tyg du kan byta ut, utan själva golvmattan ska du lyfta på och kolla.

Que Sera, Sera

22 Inlägg
lördag 08:47
#3
Jag skulle också kolla där. Annars så kan det ju vara en dörr som inte är tät, och fuckt kommer in där under natten innan den hinner frysa.

Forummoderator
18 397 Inlägg
lördag 09:36
#4
Korta körningar med en stor fuktig jacka kan räcka med.
Frågan var uppe för ett tag sedan och någon här sa att det kan ta 4-5 dagar med en fläkt i bilen innan allt torkat?


3 930 Inlägg
lördag 09:38
#5
Vanliga ställen för regnvattenläckage är

Takluckor. Inte om, utan när. Antingen från läckande dräneringsslang (ofta i A.stolpen) eller däruppifrån pga blockerad slang.

Runt vindrutan. Ofta rost.

Genom ventilationen. Då är ofta avrinningshål blockerade av löv, mm i torkardiket.

Från takrailsens infästningsfötter.

Via bakljusen. Läcker mellan lamphus och karross ner i utrymmet under bagagegolvet.

335 Inlägg
lördag 12:29
Trådstartare
#6
Mossan1 skrev:
Vanliga ställen för regnvattenläckage är

Takluckor. Inte om, utan när. Antingen från läckande dräneringsslang (ofta i A.stolpen) eller däruppifrån pga blockerad slang.

Runt vindrutan. Ofta rost.

Genom ventilationen. Då är ofta avrinningshål blockerade av löv, mm i torkardiket.

Från takrailsens infästningsfötter.

Via bakljusen. Läcker mellan lamphus och karross ner i utrymmet under bagagegolvet.

Bakljusen, iaf den högra, vet jag att det läcker in vatten. Har försökt täta och fixa i flera år men har inte lyckats få det tätt.

Nu är jag inte riktigt säker på vad avrinningshålen finns, men skruvade bort främre stänkskärmarna och gröpte ur en massa sand och bös i höstas. Takluckan skulle jag kunna kolla men då lär det nästan bli lite varmare först, lär väl frysa på om man häller vatten för att kolla avrinningen nu.

335 Inlägg
lördag 12:29
Trådstartare
#7
MrHyde skrev:
Börja med att kolla så inte värmepaketet läcker, ganska vanligt fel. Då ska det synas genom att det är blött under mattorna, vanligast på passagerarsidan men även förarsidan bör du kolla. Alltså inte dom lösa mattorna i gummi eller tyg du kan byta ut, utan själva golvmattan ska du lyfta på och kolla.

Det där låter som en grogrund för rost om inte annat. Tror du man behöver plocka bort konsoler och stolar för att kunna lyfta på mattan?

6 267 Inlägg
lördag 12:51
#8
Jag har samma problem nu, efter att ha kört omkring med en ofta fuktig hund i bilen under hösten. Vädret har varit så dåligt att det aldrig hunnit torka ur, utan bara ackumulerats.

335 Inlägg
lördag 13:02
Trådstartare
#9
skreech3 skrev:
MrHyde skrev:
Börja med att kolla så inte värmepaketet läcker, ganska vanligt fel. Då ska det synas genom att det är blött under mattorna, vanligast på passagerarsidan men även förarsidan bör du kolla. Alltså inte dom lösa mattorna i gummi eller tyg du kan byta ut, utan själva golvmattan ska du lyfta på och kolla.

Det där låter som en grogrund för rost om inte annat. Tror du man behöver plocka bort konsoler och stolar för att kunna lyfta på mattan?

Är ju inte bättre nu när man drar in massa snö i bilen....

3 210 Inlägg
lördag 13:13
#10
Har haft samma problem i vår Megane som tanten till 99% kör.
Ställde in en fuktslukare i höstas som inte gjorde ett någe.

Nu över julen när jag har kört den mycket så upptäckte jag att den slår av a/c-kompressorn om man går över 21c i autoläge. (Varför inte liksom? den är ju trots allt fransk.)
Efter drygt 30-40 mil med a/c igång så har vi nu ej längre detta problem.
Tippar på att du inte har a/c i en Honda från -92, så det kanske inte hjälper dig speciellt mycket.

Har du kollat om kupéfiltret är fuktigt?
Kan isåfall vara igenkorkad avrinning från i torkardiket.

Annars kan man alltid skicka in en rökmaskin i kupèn och se vart det kommer ut.
Kräver ju dock en rekond med typ ozon efteråt.


Maskinmekaniker
26 Inlägg
lördag 20:42
#11
skreech3 skrev:
MrHyde skrev:
Börja med att kolla så inte värmepaketet läcker, ganska vanligt fel. Då ska det synas genom att det är blött under mattorna, vanligast på passagerarsidan men även förarsidan bör du kolla. Alltså inte dom lösa mattorna i gummi eller tyg du kan byta ut, utan själva golvmattan ska du lyfta på och kolla.

Det där låter som en grogrund för rost om inte annat. Tror du man behöver plocka bort konsoler och stolar för att kunna lyfta på mattan?

Skiljer sig från bil till bil. I vissa bilar kan man iaf få bort mattan i framkant från torped och bakåt för att kika, en del måste minst stolar, instegslist och mittkonsol ut.

Dra på dig bältet, för nu jävlar ska vi åka fort!

941 Inlägg
lördag 22:07
#12
skreech3 skrev:
MrHyde skrev:
Börja med att kolla så inte värmepaketet läcker, ganska vanligt fel. Då ska det synas genom att det är blött under mattorna, vanligast på passagerarsidan men även förarsidan bör du kolla. Alltså inte dom lösa mattorna i gummi eller tyg du kan byta ut, utan själva golvmattan ska du lyfta på och kolla.

Det där låter som en grogrund för rost om inte annat. Tror du man behöver plocka bort konsoler och stolar för att kunna lyfta på mattan?

I de flesta fall kan du ta bort typ instegslisten och eventuell nån till panel där vid kickpanelerna så kan du lyfta tillräckligt för att känna om det är blött. Man behöver inte plocka ur mattan, bara lyfta och komma åt under.
Du kan på samma gång kolla, om du har AC, utifall dräneringsslangen till den är igentäppt eller trasig. Brukar vara på höger sida på kardantunneln nära mittkonsolen under handskfacket typ. Kan vara på förarsidan också, men det är väldigt ovanligt.

Que Sera, Sera

335 Inlägg
för 14 timmar sedan
Trådstartare
#13
Har tyvärr ingen A/C på bilen. Har varit på tal att eventuellt sätta in det förrut men skulle bli så mycket ingrepp i bilen och svårt att hitta delar så det har blivit lagt på is....

Nu skummade jag igenom manualen. Verkar vara en himla procedur, men den är beskriven för om man ska byta ut mattan. Då ska typ rubbet bort, stolar i fram, bakre ryggstöd, instegslist... etc.

Blir mest frustrerad av vädret. Går ju inte att meka utan att få in snö typ överallt just nu.

Ligger kvar snö i bagageutrymmet än som föll ner för några dagar sen.

Funderar på om det ev läcker in vatten nån annanstans i bagageutrymmet.

Nu har jag kollat under mattan, var lättare än jag trodde få bort instegslisten, däremot råkade kickpanelens ena fäste gå av... (Plastskit...). Var torrt där under i alla fall.

Ligger väl en del is på insuget till fläkten (den som är precis vid vindrutan). Osäker på om det finns några andra ställen kring värmepaketet som kan klogga igen.
Senast redigerat av skreech3 (för 13 timmar sedan)

7 847 Inlägg
för 13 timmar sedan
#14
MrHyde skrev:
Börja med att kolla så inte värmepaketet läcker, ganska vanligt fel. Då ska det synas genom att det är blött under mattorna, vanligast på passagerarsidan men även förarsidan bör du kolla. Alltså inte dom lösa mattorna i gummi eller tyg du kan byta ut, utan själva golvmattan ska du lyfta på och kolla.

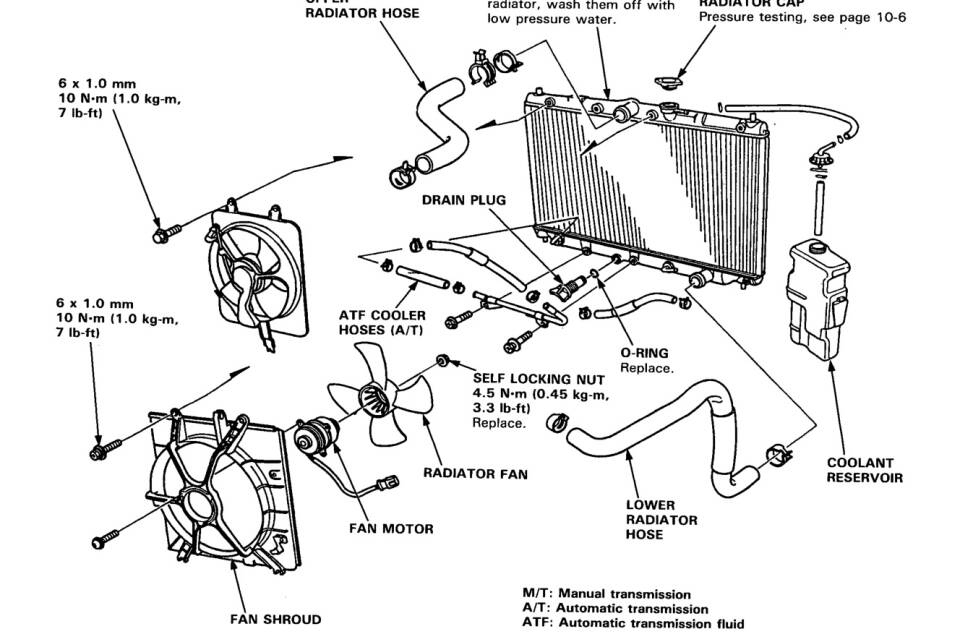
Om värmepaketet(radiatorn) läcker så kommer det ut glykolblandning, som är söt.
Kolla genom att dra med ett finger genom fukten och smaka.
Smakar det sött är det förmodligen kylarvätska som läcker från radiatorn.
Försvinner det kylarvätska?
Hur som helst så avråder jag på det bestämdaste från att blanda kylarcement i kylarvätskan.

335 Inlägg
för 12 timmar sedan
Trådstartare
#15
torsen skrev:
MrHyde skrev:
Börja med att kolla så inte värmepaketet läcker, ganska vanligt fel. Då ska det synas genom att det är blött under mattorna, vanligast på passagerarsidan men även förarsidan bör du kolla. Alltså inte dom lösa mattorna i gummi eller tyg du kan byta ut, utan själva golvmattan ska du lyfta på och kolla.

Om värmepaketet(radiatorn) läcker så kommer det ut glykolblandning, som är söt.
Kolla genom att dra med ett finger genom fukten och smaka.
Smakar det sött är det förmodligen kylarvätska som läcker från radiatorn.
Försvinner det kylarvätska?
Hur som helst så avråder jag på det bestämdaste från att blanda kylarcement i kylarvätskan.

Känner mig såååå förvirrad just nu. Ska försöka få fram några bilder.

Vet att det har minskat kylarvätska de senaste dagarna, eller ja, det har minskat i expansionskärlet, som jag tog upp i en annan tråd. Var nästan upp till MAX när jag bytte kylarvätska i fjol.

https://www1.garaget.org/gallery/images/236/235476/235476-31a0ccb6372c4774d37f093edb4821f1.jpg

https://www1.garaget.org/gallery/images/236/235476/235476-83a8c1a9ab095ed0ab92c714136ce2b6.jpg
Senast redigerat av skreech3 (för 11 timmar sedan)

* Voff voff *
11 123 Inlägg
för 11 timmar sedan
#16
Innan du börjar plocka isär hela bilen i jakt på någonting...

Du får ha i åtanke att det är en bil gjord för ett helt annan klimat än det vi har här (tex brukar utblås för värme saknas under stolarna -> bakåt på asiatiska bilar från den tiden) med ett kanske lite klent värmepaket, det är dessutom en lite äldre bil och den har inte AC.

Kort sagt, varje gång du kör den blåser du in fuktig luft, du drar in snö, du har fuktiga kläder, du andas osv osv. Denna fukt sätter sig i allt. Stolar, tak, dörrsidor osv. Sedan parkerar du en varm bil med all denna fukt i och vips kondenserar det på oisolerade ytor, tex rutorna.

Så lägg inte ner alltför mycket energi på att jaga något som inte finns. Så här var det att ha dessa bilar även för 30 år sedan. Vi har blivit bortskämda med AC och klimatanläggningar och rejäla fläktar idag.

The evening sun touched gently on the eyes of Lucy Jordan...


Sök