7889
Sök

Projekt 500whp, RB25DET, Nissan Skyline R33-GTS --->

Total genomgång av motorn samt lite div uppgraderingar för att nå 500 driftsäkra hjulhästar. Plus att det blir lite x-tra bling under huven ;)

387 273 Visningar
Uppdaterades senast 23 februari 2014
369 Inlägg
17 januari 2012
#281
Johan_e2 skrev:
Postgubben kom nyss och knackade på med ett relativt stor paket, trodde stolen hade kommit men den är tyvärr restnoterad till 20 Feb! sad Men en del godis kom iaf, ingenting som ni inte sett förrut men men

http://www1.garaget.org/gallery/images/11/10531/10531-104a725cb47bc78e754fbce3c266e6bf.jpg


http://www1.garaget.org/gallery/images/11/10531/10531-958d10d26c8caedabff9351dd299ad70.jpg


http://www1.garaget.org/gallery/images/11/10531/10531-e8d9766fda93266df2d40f4e51dd26a5.jpg


Godisskåpet big_smile Man blir lite extra glad i själen när man öppnar dörren, måste utöka förvaringen snart.

http://www1.garaget.org/gallery/images/11/10531/10531-a3f1d96492bac9c52179cbd5e8d93d85.jpg

Ser ju riktigt mysigt ut det där. tongue Se nu till att få ihop allt!!!! big_smile

Behöver du hjälp med att konvertera dina R33 strålkastare? Skicka PM för mer info
Bilen - Min sida - Projekttråden

Wolfman Cruisers
1 258 Inlägg
17 januari 2012
#282
Hinner du klart till hedlanda?  big_smile skulle va kul å se den där smile

----->Strippen S2<-----

VCRACING

1 105 Inlägg
18 januari 2012
Trådstartare
#283
sjovold skrev:
Hinner du klart till hedlanda?  big_smile skulle va kul å se den där smile

Beror lite på ekonomin, har det mesta jag behöver men måste få nån att fräsa ventilerna och sätena + att plana, hona och svarva på oljedriven på vevaxeln.

Jobbar förövrigt både på Björnfesten och Hedlanda tongue

Rice, Rice Baby!
Projekt Skyline R33 RB25det renovering/uppgradering
--> Projekt-tråden <--

1 105 Inlägg
18 januari 2012
Trådstartare
#284
Ser ju riktigt mysigt ut det där. tongue Se nu till att få ihop allt!!!! big_smile

Alltid härligt med nya grejer smile Får se när ihopmonteringen börjar. Som jag skrev åt Sjövold så är det en del jag inte kan fixa själv som måste göras innan jag kan börja sätta ihop hinken.
Har lämnat in för offert på flera ställen men har inte hört något av dom ännu.

Rice, Rice Baby!
Projekt Skyline R33 RB25det renovering/uppgradering
--> Projekt-tråden <--

Wolfman Cruisers
1 258 Inlägg
18 januari 2012
#285
Johan_e2 skrev:
sjovold skrev:
Hinner du klart till hedlanda?  big_smile skulle va kul å se den där smile

Beror lite på ekonomin, har det mesta jag behöver men måste få nån att fräsa ventilerna och sätena + att plana, hona och svarva på oljedriven på vevaxeln.

Jobbar förövrigt både på Björnfesten och Hedlanda tongue

Ring till ljusdal dom fixar de dom, men va fan du får väll ta ledigt då wink

----->Strippen S2<-----

VCRACING

1 105 Inlägg
18 januari 2012
Trådstartare
#286
Dagens prestation, knackat i en 1,1mm restriktor i bakersta (vänster i bild) och pluggat mittentillförseln smile


https://www1.garaget.org/gallery/images/11/10531/10531-9f06f615ac1d7b83efe095eeb2d7d824.jpg

sjovold skrev:
Ring till ljusdal dom fixar de dom, men va fan du får väll ta ledigt då wink

Jo jag har skickat en förfrågan till Motor renovering AB om det var dom du menade?
Senast redigerat av Johan_e2 (18 januari 2012)

Rice, Rice Baby!
Projekt Skyline R33 RB25det renovering/uppgradering
--> Projekt-tråden <--

Wolfman Cruisers
1 258 Inlägg
18 januari 2012
#287
Johan_e2 skrev:
Dagens prestation, knackat i en 1,1mm restriktor i bakersta (höger i bild) och pluggat mittentillförseln smile


http://www1.garaget.org/gallery/images/11/10531/10531-9f06f615ac1d7b83efe095eeb2d7d824.jpg

sjovold skrev:
Ring till ljusdal dom fixar de dom, men va fan du får väll ta ledigt då wink

Jo jag har skickat en förfrågan till Motor renovering AB om det var dom du menade?

Ljusdalsmotorrenoveringar menar ja smile vet inte om de va dom du mailade smile

----->Strippen S2<-----

VCRACING

1 105 Inlägg
18 januari 2012
Trådstartare
#288
sjovold skrev:
Ljusdalsmotorrenoveringar menar ja smile vet inte om de va dom du mailade smile

Jo dom som håller till i Hybo typ?

Rice, Rice Baby!
Projekt Skyline R33 RB25det renovering/uppgradering
--> Projekt-tråden <--

Wolfman Cruisers
1 258 Inlägg
18 januari 2012
#289
Johan_e2 skrev:
sjovold skrev:
Ljusdalsmotorrenoveringar menar ja smile vet inte om de va dom du mailade smile

Jo dom som håller till i Hybo typ?

ja de som ligger aldeles brevid toyota smile

----->Strippen S2<-----

VCRACING

1 105 Inlägg
18 januari 2012
Trådstartare
#290
sjovold skrev:
Johan_e2 skrev:
sjovold skrev:
Ljusdalsmotorrenoveringar menar ja smile vet inte om de va dom du mailade smile

Jo dom som håller till i Hybo typ?

ja de som ligger aldeles brevid toyota smile

Ahaa! Nä dom har jag missat isf, ska kolla upp dom imorrn

Rice, Rice Baby!
Projekt Skyline R33 RB25det renovering/uppgradering
--> Projekt-tråden <--

Wolfman Cruisers
1 258 Inlägg
18 januari 2012
#291
Johan_e2 skrev:
sjovold skrev:
Johan_e2 skrev:

Jo dom som håller till i Hybo typ?

ja de som ligger aldeles brevid toyota smile

Ahaa! Nä dom har jag missat isf, ska kolla upp dom imorrn

kollade ja lite snabbt nu, de e samma vi menar wink

----->Strippen S2<-----

VCRACING

1 105 Inlägg
18 januari 2012
Trådstartare
#292
sjovold skrev:
Johan_e2 skrev:
sjovold skrev:

ja de som ligger aldeles brevid toyota smile

Ahaa! Nä dom har jag missat isf, ska kolla upp dom imorrn

kollade ja lite snabbt nu, de e samma vi menar wink

Allright, det var dom enda jag hittade i Ljusdal så. Ta och ringa åt dom imorrn

Rice, Rice Baby!
Projekt Skyline R33 RB25det renovering/uppgradering
--> Projekt-tråden <--

1 105 Inlägg
19 januari 2012
Trådstartare
#293
Slänger upp samma bild som Thomas fick på sin tråd, det är alltså en sorts ritning på hur tråget ser ut invändigt i stora drag;)
https://www1.garaget.org/gallery/images/11/10531/10531-1e227d51c953c9a61f05fe08316cdb01.jpg

Rice, Rice Baby!
Projekt Skyline R33 RB25det renovering/uppgradering
--> Projekt-tråden <--

1 105 Inlägg
19 januari 2012
Trådstartare
#294
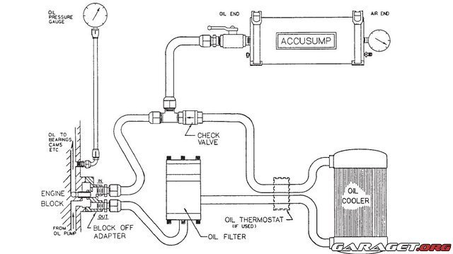
Accsump nästa! Skrivit lite med Thomas Nyqvist på hans tråd om Accsump och bestämt att jag ska fixa det också medans man ändå är igång, har funderat på det ett tag men mest tyckt att det var overkill men nu ska det bli av!

Här är en bild på hur det funkar, dock så kulventilen mot accsumpen bytas ut mot en elektrisk styrd ventil.

Lite info on Accsump..
Accsumpen kopplas på oljereturen från oljekylet till en envägsventil, detta för att förhindra att oljan går bakvägen när accsumpen pressar tillbaks oljan vid tryckfall. I accsumpen sitter en kolv som pressas tillbaks av oljetrycket från motorn och skulle oljetrycket gå ner under önskat tryck så skjuter accumpen på med olja för att hålla trycket tills motorn klarar av att få upp trycket själv


https://www1.garaget.org/gallery/images/11/10531/10531-03af2e9b5163b95009bee191ef45b2c6.jpg
Senast redigerat av Johan_e2 (19 januari 2012)

Rice, Rice Baby!
Projekt Skyline R33 RB25det renovering/uppgradering
--> Projekt-tråden <--

922 Inlägg
19 januari 2012
#295
Yes så vi planerat bygga på ungefär men förstår inte helt de med mekanisk ventil / el bentil

sponsor
www.Speeding.nu performance parts
www.vianor.se Vianor Borås

1 105 Inlägg
19 januari 2012
Trådstartare
#296
Kika på bilden så ser du att det sitter en kulventil där, den måste du öppna och stänga själv. Om du vill ha försmörjning så vill du ha tryck i accsumpen för att den ska kunna få ur sig lite olja innan du startar motorn och med mekaniska ventilen så måste du öppna ventilen manuellt innan du startar och stänga innan du stänger av motorn för att behålla trycket i accsumpen. Med elektriska ventilen så sköts av/på, öppna/stäng automatiskt.
Senast redigerat av Johan_e2 (19 januari 2012)

Rice, Rice Baby!
Projekt Skyline R33 RB25det renovering/uppgradering
--> Projekt-tråden <--

922 Inlägg
19 januari 2012
#297
Johan_e2 skrev:
Kika på bilden så ser du att det sitter en kulventil där, den måste du öppna och stänga själv. Om du vill ha försmörjning så vill du ha tryck i accsumpen för att den ska kunna få ur sig lite olja innan du startar motorn och med mekaniska ventilen så måste du öppna ventilen manuellt innan du startar och stänga innan du stänger av motorn för att behålla trycket i accsumpen. Med elektriska ventilen så sköts av/på, öppna/stäng automatiskt.

Jo det förstår ja men man kan juh sätta den i bilen den manuella ventilen om man vill smile
Men elektrisk ä juh simpelt o smidigt smile
Senast redigerat av ThomasNyqvist (19 januari 2012)

sponsor
www.Speeding.nu performance parts
www.vianor.se Vianor Borås

1 105 Inlägg
19 januari 2012
Trådstartare
#298
Jo det kan man göra men jag vill ha det så bekvämt som möjligt så jag kommer köra elektriskt smile

Rice, Rice Baby!
Projekt Skyline R33 RB25det renovering/uppgradering
--> Projekt-tråden <--

Wolfman Cruisers
1 258 Inlägg
19 januari 2012
#299
Är ja helt ute å cyklar när ja tycker att de liknar funktionen på en lastarmsfjädring på en lastmaskin??

----->Strippen S2<-----

VCRACING

1 105 Inlägg
20 januari 2012
Trådstartare
#300
sjovold skrev:
Är ja helt ute å cyklar när ja tycker att de liknar funktionen på en lastarmsfjädring på en lastmaskin??

Haha! Arbetsskadad? smile Det är möjligt men jag har absolut ingen aning tongue

Rice, Rice Baby!
Projekt Skyline R33 RB25det renovering/uppgradering
--> Projekt-tråden <--


Sök