6464
Sök

Shortshift i volvo 244??

15 Inlägg
5 april 2010
#21
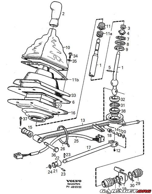
Vilka bussningar är det man kan byta? å vad kan man byta mot sålbrickor eller liknande?

tack för svar!


https://www1.garaget.org/gallery/archive/84024/895847_4ogeur.jpg
Någon som kan rita i vad man kan köpa för att styva till spaken lite?


4 001 Inlägg
6 april 2010
#22
18, 32, 38 kan man byta till mässing, M & M motorsport har det liggande tror jag, annars kan dom tillverka dom bussningarna

Fy fan för att vara nykterist, tänk er att vakna upp dagen efter och inse att bättre än så här kommer jag inte att må

164 Inlägg
15 april 2012
#23
_Wallis_ skrev:
Så här gjorde jag, och det funkar fint.

Slå ut splinten med ett don.
http://www1.garaget.org/gallery/archive/45331/211682_jduwk6.jpg

Dra ut splingen och för sedan av höljet.
http://www1.garaget.org/gallery/archive/45331/211683_cvmqog.jpg

Ta sedan en gassvets och glöddga kulan.
http://www1.garaget.org/gallery/archive/45331/211684_ci7jo1.jpg
http://www1.garaget.org/gallery/archive/45331/211686_noavtg.jpg
http://www1.garaget.org/gallery/archive/45331/211687_22ixh9.jpg

Sedan tar du en stor hylsa eller ett kraftigt järnrör och för över så du kan hamra på kulan.

http://www1.garaget.org/gallery/archive/45331/211755_5s4mj5.jpg

Slå upp kulan.
http://www1.garaget.org/gallery/archive/45331/211688_vr9le9.jpg

Sedan polerar du bort eventuella små jack som du fått under proseduren.
http://www1.garaget.org/gallery/archive/45331/211689_cuu2x5.jpg

Passa även på att byta alla plast ringar och bussningar för att få mindre glapp.
Funkar att byta mot stålbrickor på sina ställen för att få en riktigt "styv" spak.

//Wallis

Nu vet jag att detta är en redig bump men det känns bättre än att skapa en helt ny topic när det redans finns bra information här. Men jag har en liten fråga iallafall som en annan också fråga här i tråden men inte fick något rakt svar på, funkar det här sättet med ett slå ner kulan på en 940 med M46 OD? Sen undrar jag också om det bara finns fördelar med shortshift eller om det finns några nackdelar också?


Fri fart för ett fritt folk!
15 107 Inlägg
15 april 2012
#24
sam har till sin stålspak både bronsbussningar till växelreglaget och andra till kulan

kör med bronsbussningen från dom på min m90 (det är samma till m45,m46,m47 och m90

Kör fort så hinner inget hända...


Sök