5580
Sök

Honda del sol - troligtvis elfel !

82 Inlägg
18 januari 2012
Trådstartare
#1
har en honda del sol som inte vill starta för mig , har kollat över den en del, har bytt bränslerelä "main relay" och det "klickar" som det ska , bytt pump, bränslefilter, tändstift och relät men inget hjälper, har så klart kollat säkringar oxå , frågan är bara om det är någon speciell säkring till just bränslepumpen ??

behöver verkligen hjälp av er !! smile

peace !

2 024 Inlägg
18 januari 2012
#2
Du skriver att du bytt en massa saker men har du kollat om du får gnista eller bränsle till motorn?

Svensk mästare Advanced Unlimited 2012 med min Citroën C5. Bygger om och avancerar till 2013
Samarbetspartners:
Ljudbyggaren, Carlenskogs, Nascom

82 Inlägg
18 januari 2012
Trådstartare
#3
Ja den får gnista, startar på startgas, det går ström till relät men sen så kommer det inte ström fram t pumpen.

jag körde och stannade och stängde av den i 5 min och skulle starta den igen så blöddra den t lite och sen ville den inte starta igen... sad

2 024 Inlägg
18 januari 2012
#4
Du har mätt så det kommer ström till relät och inte till pumpen?

Svensk mästare Advanced Unlimited 2012 med min Citroën C5. Bygger om och avancerar till 2013
Samarbetspartners:
Ljudbyggaren, Carlenskogs, Nascom

82 Inlägg
18 januari 2012
Trådstartare
#5
det kommer ström till relät, men inte till pumpen hmm

2 024 Inlägg
18 januari 2012
#6
Har du mätt på utgången från relät? Har du ström där så har du antagligen kabelbrott mellan relä och pump eller pump och jord.

Svensk mästare Advanced Unlimited 2012 med min Citroën C5. Bygger om och avancerar till 2013
Samarbetspartners:
Ljudbyggaren, Carlenskogs, Nascom

82 Inlägg
18 januari 2012
Trådstartare
#7
utgången funkar som det ska för annars skulle det la inte "klicka" i relät ? ska mäta från ena sidan av + kabeln idag och den som ska in i pumpen för att se om den krånglar annars så kollar jag jord...

men om det inte är något av det ?

2 024 Inlägg
18 januari 2012
#8
Att det klickar i relät är ju bara en indikation på att det får styrspänning och att spolen i det drar. Det säger ju inget om huruvida du har spänning vare sig in i eller ut ur relät. Mät som sagt, och finns det spänning ut ur relät men inte vid pumpen så kan det inte vara nåt annat än kabelbrott eller glapp i något kontaktstycke.

Svensk mästare Advanced Unlimited 2012 med min Citroën C5. Bygger om och avancerar till 2013
Samarbetspartners:
Ljudbyggaren, Carlenskogs, Nascom

82 Inlägg
18 januari 2012
Trådstartare
#9
ne det e ju sant , dum jag är "haha". men som sagt ska mäta sen så återkommer jag smile tack på förhand smile

82 Inlägg
18 januari 2012
Trådstartare
#10
okey jag har mätt och det går ström ut från relät , men dom 2 kablarna som går ner t pumpen är blåa och det finns inga blåa kablar som går in till relät eller vid den kabel härvan överhuvud taget tongue

82 Inlägg
18 januari 2012
Trådstartare
#11
och då vet jag inte vilken som är + och jord , då det inte står där dom skall anslutas tongue

2 024 Inlägg
18 januari 2012
#12
Ok, du är säker på att det är bränslepumpsrelät du har mätt på?

Svensk mästare Advanced Unlimited 2012 med min Citroën C5. Bygger om och avancerar till 2013
Samarbetspartners:
Ljudbyggaren, Carlenskogs, Nascom

82 Inlägg
18 januari 2012
Trådstartare
#13
ja, "assey main relay" något tongue

82 Inlägg
18 januari 2012
Trådstartare
#14
det är en 92 smile

2 024 Inlägg
18 januari 2012
#15
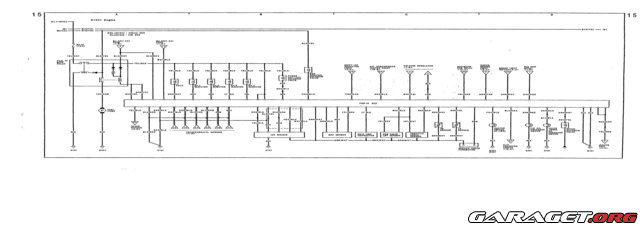
Kollat lite i ett schema jag hade, där verkar det dock inte vara några blå kablar till pumpen, kanske dina kablar är skarvade?
Vet inte om de syns ordentligt på bilden annars kan jag maila en pdf.
https://www1.garaget.org/gallery/images/43/42270/42270-d7a068dade6823b18d9afaadc3546910.jpg
Senast redigerat av Expoze (18 januari 2012)

Svensk mästare Advanced Unlimited 2012 med min Citroën C5. Bygger om och avancerar till 2013
Samarbetspartners:
Ljudbyggaren, Carlenskogs, Nascom

82 Inlägg
18 januari 2012
Trådstartare
#16
ja jag tror dom är det nämligen tongue tack tack smile han som ägde den innan sa att han hade kopplat ur en kontakt som gick t bränslepumpen med sladdar i som sitter vid vxlspaken så ska kolla det imorn med ..

hatar elfel , ska alltid vara de lättaste felet när man tror det är det svåraste och tvärtom ^^

82 Inlägg
19 januari 2012
Trådstartare
#17
det är inte kabelbrott i + iallafall, men sen när jag mätte jorden med ohm ska den ge 0 men den visa 1,3 något och det indikerar väll på att de e något fel med jorden någonstans på vägen från relät till pumpen ? tongue

2 024 Inlägg
19 januari 2012
#18
Pumpen jordar inte via relät utan sitter på en jordpunkt nånstans, 1,3ohm borde inte göra så mycket tycker man men man vet ju aldrig.

Svensk mästare Advanced Unlimited 2012 med min Citroën C5. Bygger om och avancerar till 2013
Samarbetspartners:
Ljudbyggaren, Carlenskogs, Nascom

21 761 Inlägg
19 januari 2012
#19
Jonkaan skrev:
men sen när jag mätte jorden med ohm ska den ge 0 men den visa 1,3 något

Hur mätte du då, mellan kabelns ändar?

Mäter man resistansen i en kabel (i princip vilken vanlig likspänningskabel som helst) så ska det visa 0 Ohm, inget annat. smile

82 Inlägg
19 januari 2012
Trådstartare
#20
okey smile men fick igång bilen idag iallafall, tack för hjälpen ! smile


Sök