4108
Sök

Ledramp slocknar

102 Inlägg
20 januari 2023
Trådstartare
#1
Hej ! Har precis köpt en V70 -06. Kopplade in ledrampen för ca 1V men  halva rampen slocknar efter att bilen varit igång i några sekunder.Har kopplat samma reläkabelsatts och Ledramp på 2 olika bilar utan problem. Är det reläkabelsattsen som ger upp ?

3 154 Inlägg
20 januari 2023
#2
Kontrollera alla anslutningar och mät upp så att du får bra spänning till både relä och ramp.
Lossa jorden och dra en startkabel mellan den och minuspol på batteriet.

Hade själv liknande problem med en ramp som suttit på lite olika bilar.
Tillverkade bara en ny kabelpiska så var problemet löst, den gamla som följde med rampen var rätt så kass.


102 Inlägg
20 januari 2023
Trådstartare
#3
Okey. Har mätt och allt får ström som det ska. Lite svårt att dra en kabel till batteriet då den sitter bak på Volvon och har inte så långt kabel. Vad menar du med kabelpiska ?

3 154 Inlägg
20 januari 2023
#4
GUPE94 skrev:
Okey. Har mätt och allt får ström som det ska. Lite svårt att dra en kabel till batteriet då den sitter bak på Volvon och har inte så långt kabel. Vad menar du med kabelpiska ?

Ta och dra kabeln till en jordpunkt i motorrummet då.
Vicka även runt på kablaget och se om det händer något.

Lästa ditt första inlägg lite noggrannare.
Har ledrampen fler än en kontakt?
Innehåller kontakten två stift?

Om rampen endast har en plusmatning och en jord så känns det ju som att felet ligger i rampen om hälften slocknar.
Går säkert att ta isär och plocka bort den dioden som felar och lägga en klick lödtenn över.
Om det inte är kretskortet.


* Voff voff *
11 051 Inlägg
21 januari 2023
#5
GUPE94 skrev:
Hej ! Har precis köpt en V70 -06. Kopplade in ledrampen för ca 1V men  halva rampen slocknar efter att bilen varit igång i några sekunder.Har kopplat samma reläkabelsatts och Ledramp på 2 olika bilar utan problem. Är det reläkabelsattsen som ger upp ?

Hur är det inkopplat? Via original kontakt och knapp (vid luftburken) eller med matning från pluspolen vid säkringsboxen och jord från någon av bultarna vid skärmarna?

The evening sun touched gently on the eyes of Lucy Jordan...

Fri fart för ett fritt folk!
14 863 Inlägg
21 januari 2023
#6
säkert bilen som inte gillar läget och stänger av lampan..  har du tagit den direkt på helljus sadden så är felet där....   har man fel typ av relä så drar det för mycket ström och bilen stänger automatiskt av den utgången ....    så mest troligen slocknar även helljuset på strålkastaren samtidigt..

Kör fort så hinner inget hända...

7 517 Inlägg
21 januari 2023
#7
Growe skrev:
säkert bilen som inte gillar läget och stänger av lampan..  har du tagit den direkt på helljus sadden så är felet där....   har man fel typ av relä så drar det för mycket ström och bilen stänger automatiskt av den utgången ....    så mest troligen slocknar även helljuset på strålkastaren samtidigt..

har verkligen en 06a så pass känslig el?? tvivlar,, har kopplat ledramper/extraljus på betydligt nyare bilar utan problem smile

Fri fart för ett fritt folk!
14 863 Inlägg
21 januari 2023
#8
granadadr skrev:
Growe skrev:
säkert bilen som inte gillar läget och stänger av lampan..  har du tagit den direkt på helljus sadden så är felet där....   har man fel typ av relä så drar det för mycket ström och bilen stänger automatiskt av den utgången ....    så mest troligen slocknar även helljuset på strålkastaren samtidigt..

har verkligen en 06a så pass känslig el?? tvivlar,, har kopplat ledramper/extraljus på betydligt nyare bilar utan problem smile

från och med 05 så är det canbus så nog kan den stänga av en lampa som drar för mycket ström..

nu hoppas jag man väljer att använda utaget som faktist sitter där istället  allt som behövs är ju en knapp och en säkring istort sätt...   och en kontakt

jag beställde delarna på volvo när jag monterade extraljus på chefens farsas förra bil en 07:Ans v70n  smidigt som tusan..
Senast redigerat av Growe (21 januari 2023)

Kör fort så hinner inget hända...

7 517 Inlägg
21 januari 2023
#9
Growe skrev:
granadadr skrev:
Growe skrev:
säkert bilen som inte gillar läget och stänger av lampan..  har du tagit den direkt på helljus sadden så är felet där....   har man fel typ av relä så drar det för mycket ström och bilen stänger automatiskt av den utgången ....    så mest troligen slocknar även helljuset på strålkastaren samtidigt..

har verkligen en 06a så pass känslig el?? tvivlar,, har kopplat ledramper/extraljus på betydligt nyare bilar utan problem smile

från och med 05 så är det canbus så nog kan den stänga av en lampa som drar för mycket ström..

nu hoppas jag man väljer att använda utaget som faktist sitter där istället  allt som behövs är ju en knapp och en säkring istort sätt...   och en kontakt

jag beställde delarna på volvo när jag monterade extraljus på chefens farsas förra bil en 07:Ans v70n  smidigt som tusan..

alla bilar jag skrev om har canbus,  inkl mina egna  så klart,, så därför tvivlar jag på att det är bilen smile

Fri fart för ett fritt folk!
14 863 Inlägg
21 januari 2023
#10
granadadr skrev:
Growe skrev:
granadadr skrev:

har verkligen en 06a så pass känslig el?? tvivlar,, har kopplat ledramper/extraljus på betydligt nyare bilar utan problem smile

från och med 05 så är det canbus så nog kan den stänga av en lampa som drar för mycket ström..

nu hoppas jag man väljer att använda utaget som faktist sitter där istället  allt som behövs är ju en knapp och en säkring istort sätt...   och en kontakt

jag beställde delarna på volvo när jag monterade extraljus på chefens farsas förra bil en 07:Ans v70n  smidigt som tusan..

alla bilar jag skrev om har canbus,  inkl mina egna  så klart,, så därför tvivlar jag på att det är bilen smile

har varit med om det ett par gånger...   dessutom så skickar ofta kina grejer en jävla smäll tillbaka i den ledningen så risken finns att man bränner något..

har man en volvo v50 och tex kopplar xenon så står man snabbt utan lyse.

men om jag tex monterar en ledlampa på skyltbelysningen på min polo så tänds den och slocknar lika snabbt igen smile

Kör fort så hinner inget hända...

7 517 Inlägg
21 januari 2023
#11
Growe skrev:
granadadr skrev:
Growe skrev:

från och med 05 så är det canbus så nog kan den stänga av en lampa som drar för mycket ström..

nu hoppas jag man väljer att använda utaget som faktist sitter där istället  allt som behövs är ju en knapp och en säkring istort sätt...   och en kontakt

jag beställde delarna på volvo när jag monterade extraljus på chefens farsas förra bil en 07:Ans v70n  smidigt som tusan..

alla bilar jag skrev om har canbus,  inkl mina egna  så klart,, så därför tvivlar jag på att det är bilen smile

har varit med om det ett par gånger...   dessutom så skickar ofta kina grejer en jävla smäll tillbaka i den ledningen så risken finns att man bränner något..

har man en volvo v50 och tex kopplar xenon så står man snabbt utan lyse.

men om jag tex monterar en ledlampa på skyltbelysningen på min polo så tänds den och slocknar lika snabbt igen smile

man måste ju ha canbus led på skyltbelysning,, mina stod bra å blinkade,, sen bytte jag till bättre saker å vips funkar det,  har man problem, får man köpa ett BRA relä med backdioder smile

6 697 Inlägg
21 januari 2023
#12
CAN-BUS brukar endast gå till strålkastarstyrdonet som sen jobbar med LIN

De/Dem

3 154 Inlägg
21 januari 2023
#13
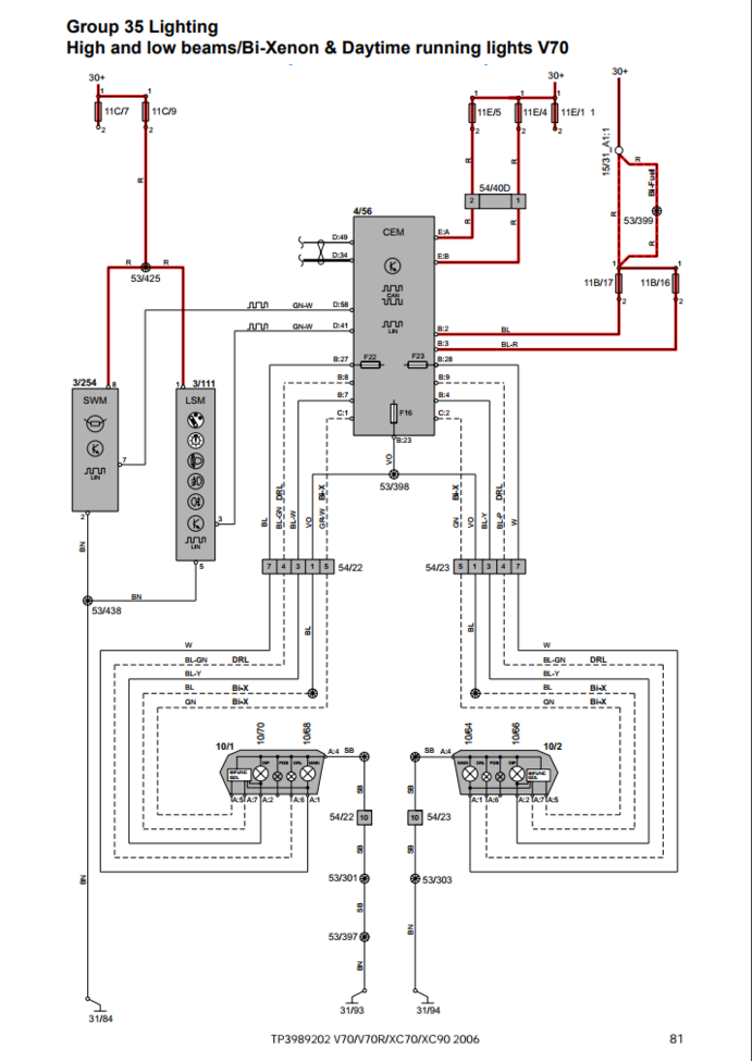
https://cimg9.ibsrv.net/gimg/volvoforums.com-vbulletin/691x975/image_2acf7e802775b03d05e81beb8478f8bec7ebe6b9.png

Här har vi ett kretsschema över lyktorna, om de nu är utrustade med bi-xenon.
Kan ej tyda någon form av can-övervakning över helljuset, så det är nog hyfsat lugnt. smile
Sen kan ju säkert CEM slå av den utgången som tidigare sagt, och det är ju en möjlighet om det sitter ett s.k. kinarelä utan diod.
Skulle det nu däremot vara en vanlig ramp med en tvåpolig DT-kontakt så känns det mer som ett problem i rampen om hälften slocknar.

Hade själv en -05 med bi-xenon som hade en ramp kopplad rakt på stammen upp till lyktan, inga problem där.
Senast redigerat av Jesper328 (21 januari 2023)


102 Inlägg
22 januari 2023
Trådstartare
#14
Growe skrev:
säkert bilen som inte gillar läget och stänger av lampan..  har du tagit den direkt på helljus sadden så är felet där....   har man fel typ av relä så drar det för mycket ström och bilen stänger automatiskt av den utgången ....    så mest troligen slocknar även helljuset på strålkastaren samtidigt..

Det är bara halva rampen som slocknar. Har kopplat direkt på helljus sladden

102 Inlägg
22 januari 2023
Trådstartare
#15
Har kopplat rampen på en Subaru legacy-06 med xenon i helljus innan och funkande klockrent. Jag börjar tro att reläsattsen och rampen helt enkelt börjar ge upp. Köpte allt för 1000k för typ 2år sen och håller väl inte längre än så. Ser svårt att se att det funkar utan problem på bilar med mer ”avancerad” elektronisk än på en vanlig V70

* Voff voff *
11 051 Inlägg
22 januari 2023
#16
GUPE94 skrev:
Growe skrev:
säkert bilen som inte gillar läget och stänger av lampan..  har du tagit den direkt på helljus sadden så är felet där....   har man fel typ av relä så drar det för mycket ström och bilen stänger automatiskt av den utgången ....    så mest troligen slocknar även helljuset på strålkastaren samtidigt..

Det är bara halva rampen som slocknar. Har kopplat direkt på helljus sladden

Gör inte det... Gör det seriöst och på rätt sätt istället! Relä och säkring!

The evening sun touched gently on the eyes of Lucy Jordan...

102 Inlägg
25 januari 2023
Trådstartare
#17
Brådhis skrev:
GUPE94 skrev:
Growe skrev:
säkert bilen som inte gillar läget och stänger av lampan..  har du tagit den direkt på helljus sadden så är felet där....   har man fel typ av relä så drar det för mycket ström och bilen stänger automatiskt av den utgången ....    så mest troligen slocknar även helljuset på strålkastaren samtidigt..

Det är bara halva rampen som slocknar. Har kopplat direkt på helljus sladden

Gör inte det... Gör det seriöst och på rätt sätt istället! Relä och säkring!

Har bara kopplat signalen direkt på helljus kabeln. Annars är det med både relä och säkring

Forummoderator
18 346 Inlägg
25 januari 2023
#18
Har bara kopplat signalen direkt på helljus kabeln. Annars är det med både relä och säkring

Då bör det ju inte vara spänningsfall utan fel i själva rampen. Alternativt så koppla in den rätt på batteriet och ha en bra laddare på detta och see om halva slocknar efter den tid det brukar ta.

Tänk på 80-talet. Då körde hantverkarna Cheva Startcraft med V8-diesel. Det var tider det!


Sök