4877
Sök

Byta bultmönster från 4x108 till 5x112.

9 153 Inlägg
24 juli 2010
Trådstartare
#1
Då utbudet på fälgar är väldigt begränsat till 4x108 så funderar jag på att byta bultmönster till 5x112 på Audin.
Funderar på om det går att bara plocka nav och bromsskivor från en Audi 100 C4 karossen. Eller måste man byta och bygga om en jävla massa?
Eller finns det nav och skivor från någon annan audimodell som passar rakt på 80n?
Finns ju en massa Audi VW replica fälgar som vore riktigt snyggt på Audin, men endast 5x112.
Senast redigerat av Putteliten (12 augusti 2010)


Lat Perfektionist
6 359 Inlägg
24 juli 2010
#2
Jag vet vad du menar! Lättast blir väll att ta S2 fjäderben.

För jag tror att 100:an inte fästes på samma sätt i fjädertornet. På min gamla 100 så var det 3 skruv som höll fast de.
Och på Coupén min så äre bara 1 stor mutter.

Alla tycker olika, och det är därför du har fel...
Audi "S1.5" [OEM+] - 10-Ventils turbo - Projekttråd
http://www.garaget.org/forum/viewtopic.php?id=297968

1 679 Inlägg
24 juli 2010
#3
LeafBox skrev:
Jag vet vad du menar! Lättast blir väll att ta S2 fjäderben.

För jag tror att 100:an inte fästes på samma sätt i fjädertornet. På min gamla 100 så var det 3 skruv som höll fast de.
Och på Coupén min så äre bara 1 stor mutter.

om det är tre skruv som håller fast den i tornet så finns det då inte plats att borra tre egna hål?


Lat Perfektionist
6 359 Inlägg
24 juli 2010
#4
JimmyAndersson skrev:
LeafBox skrev:
Jag vet vad du menar! Lättast blir väll att ta S2 fjäderben.

För jag tror att 100:an inte fästes på samma sätt i fjädertornet. På min gamla 100 så var det 3 skruv som höll fast de.
Och på Coupén min så äre bara 1 stor mutter.

om det är tre skruv som håller fast den i tornet så finns det då inte plats att borra tre egna hål?

på min så är det iaf alldeles för rund topp för ngt sånt.

Alla tycker olika, och det är därför du har fel...
Audi "S1.5" [OEM+] - 10-Ventils turbo - Projekttråd
http://www.garaget.org/forum/viewtopic.php?id=297968

9 153 Inlägg
24 juli 2010
Trådstartare
#5
Men tänkte om bara nav och bromsskiva skulle passa. Inte hela fjäderben. Hur gör man bak då i så fall om man ska plocka grejer från S2? Det är ju en quattro.


Lat Perfektionist
6 359 Inlägg
24 juli 2010
#6
Putteliten skrev:
Men tänkte om bara nav och bromsskiva skulle passa. Inte hela fjäderben. Hur gör man bak då i så fall om man ska plocka grejer från S2? Det är ju en quattro.

Vet inte om bara nav passar, tveksam på det + att då lär ju drivknutarna inte passa istället
Kanske om man tar den yttre knuten ifrån samma bil som navet kommar ifrån?

Och jag tänkte inte på att de inte va quattro, my bad

Alla tycker olika, och det är därför du har fel...
Audi "S1.5" [OEM+] - 10-Ventils turbo - Projekttråd
http://www.garaget.org/forum/viewtopic.php?id=297968

Audi A5 quattro driver.
2 203 Inlägg
24 juli 2010
#7
Putteliten skrev:
Men tänkte om bara nav och bromsskiva skulle passa. Inte hela fjäderben. Hur gör man bak då i så fall om man ska plocka grejer från S2? Det är ju en quattro.

Audi A4 B5 borde du kunna ta nav o skivor ifrån.

9 153 Inlägg
24 juli 2010
Trådstartare
#8
Rspeter skrev:
Putteliten skrev:
Men tänkte om bara nav och bromsskiva skulle passa. Inte hela fjäderben. Hur gör man bak då i så fall om man ska plocka grejer från S2? Det är ju en quattro.

Audi A4 B5 borde du kunna ta nav o skivor ifrån.

Är du helt 100 på att det passar rakt av utan en massa annat jobb runt om? Kan ja behålla orginal bromsok och så?


9 153 Inlägg
25 juli 2010
Trådstartare
#9
Ingen som har koll eller?

Inlägg redigerat:
§6 Lyftning av trådar och innehållslösa inlägg
Meningslösa inlägg för att lyfta en tråd är inte tillåtna.
http://www.garaget.org/forum/misc.php?action=forumRules



Mvh.
Hamilton


Audi A5 quattro driver.
2 203 Inlägg
25 juli 2010
#10
Har ju inte provar själv så är inte 100% säker. A4an och 80n har typ identiska bakvagnar. Verkar som att Audi behöll 80ns bakvagn när dom gjorde A4an.

9 153 Inlägg
25 juli 2010
Trådstartare
#11
Rspeter skrev:
Har ju inte provar själv så är inte 100% säker. A4an och 80n har typ identiska bakvagnar. Verkar som att Audi behöll 80ns bakvagn när dom gjorde A4an.

Okej. Får fasen leta upp en A4 å krypa under å kolla lite då tongue


876 Inlägg
25 juli 2010
#12
Vrf Inte Spara Massa Tid O Pengar O Bara Beställa Ett Par Spacerplattor?


16 197 Inlägg
25 juli 2010
#13
volvoperfomanceclub skrev:
Vrf Inte Spara Massa Tid O Pengar O Bara Beställa Ett Par Spacerplattor?

spacer för att byta från 4 till 5 bult e inget ja skulle rekomendera.

"Testar man inte så får man aldrig veta"

9 153 Inlägg
26 juli 2010
Trådstartare
#14
Känner inte riktigt för spaceplattor, har funderat på det men ja ska bruka bilen och då vill ja ha det ordentligt. Sen är det ju samma ET mått på Audi 80 som på många replica fälgar så det blir svårt-


9 153 Inlägg
29 juli 2010
Trådstartare
#15
Har efter lite letande kommit fram till att hjullagrena som sitter på Audi 80n är samma som till Audi A4 1.6, 1.8, 1.9TDI 95-97. Så då borde ju naven passa på 80n. Men då är ju frågan hur stora är bromsskivorna som sitter på A4. Någon som har en omgång skivor och kan skriva ner måtten åt mig?

https://www1.garaget.org/gallery/archive/17257/971370_lnwqyq.jpg


876 Inlägg
29 juli 2010
#16
Putteliten skrev:
Känner inte riktigt för spaceplattor, har funderat på det men ja ska bruka bilen och då vill ja ha det ordentligt. Sen är det ju samma ET mått på Audi 80 som på många replica fälgar så det blir svårt-

Kan ju alltid svarva fälgarna?


9 153 Inlägg
29 juli 2010
Trådstartare
#17
volvoperfomanceclub skrev:
Putteliten skrev:
Känner inte riktigt för spaceplattor, har funderat på det men ja ska bruka bilen och då vill ja ha det ordentligt. Sen är det ju samma ET mått på Audi 80 som på många replica fälgar så det blir svårt-

Kan ju alltid svarva fälgarna?

Vill fortfarande inte ha spaceplattor för det.....


Turbo260
30 juli 2010
#18
Putteliten skrev:
Har efter lite letande kommit fram till att hjullagrena som sitter på Audi 80n är samma som till Audi A4 1.6, 1.8, 1.9TDI 95-97. Så då borde ju naven passa på 80n. Men då är ju frågan hur stora är bromsskivorna som sitter på A4. Någon som har en omgång skivor och kan skriva ner måtten åt mig?

http://www1.garaget.org/gallery/archive … lnwqyq.jpg

Hittade detta på www.bildetaljer.se men såg att det fanns både solida och ventilerade fram på Audi A4 1.8 95-00.

Fram
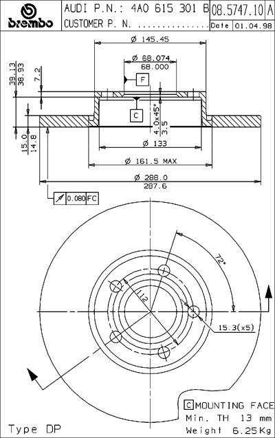
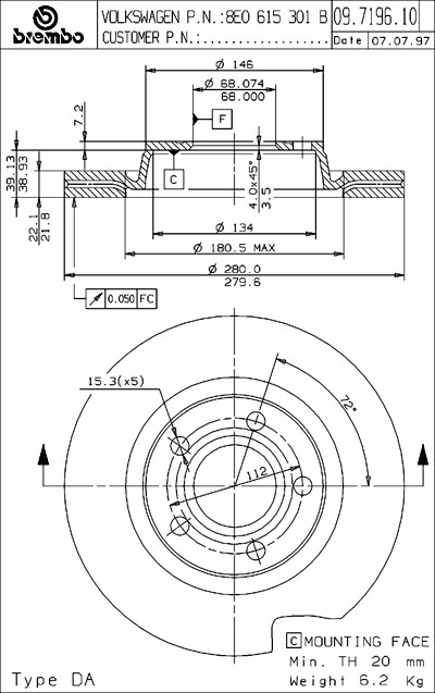
http://www.autokatalogen.se/Matrix/imag … 196.10.jpg ventilerade

http://www.autokatalogen.se/Matrix/imag … 747.10.jpg solida

Bak
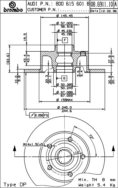
http://www.autokatalogen.se/Matrix/imag … 911.10.jpg

9 153 Inlägg
1 augusti 2010
Trådstartare
#19
Turbo260 skrev:
Putteliten skrev:
Har efter lite letande kommit fram till att hjullagrena som sitter på Audi 80n är samma som till Audi A4 1.6, 1.8, 1.9TDI 95-97. Så då borde ju naven passa på 80n. Men då är ju frågan hur stora är bromsskivorna som sitter på A4. Någon som har en omgång skivor och kan skriva ner måtten åt mig?

http://www1.garaget.org/gallery/archive … lnwqyq.jpg

Hittade detta på www.bildetaljer.se men såg att det fanns både solida och ventilerade fram på Audi A4 1.8 95-00.

Fram
http://www.autokatalogen.se/Matrix/imag … 196.10.jpg ventilerade

http://www.autokatalogen.se/Matrix/imag … 747.10.jpg solida

Bak
http://www.autokatalogen.se/Matrix/imag … 911.10.jpg

Tack!smile Precis vad jag söke, men centrumet på A4ans bromsskiva sticker inte ut lika mycket som på 80n. Så frågan är då om fjäderbenet är annorlunda byggt på A4n? Passar i så fall A4ans fjäderben på 80n?



Sök