6419
Ljust
Mörkt
Automatiskt
Sök
Logga in
Skapa konto
Start
Bilar
Forum
Projekt
Foton
Video
Medlemssidor
Min sida
Index
Sök
Forumregler
Index
>
Fordonsel och bilelektronik
Diskussionsforum
Allmänt
El- och hybridbilar
Generell felsökning
Motorteknik (Grundläggande)
Motorteknik (Avancerad)
Chassi, bromsar, transmission och däck
Fordonsel och bilelektronik
Billjud och multimedia
Inredning, utseende och styling
Bilvård och biltvätt
Övriga fordon
Projekt
Efterlyst
Film och foto
Off topic
Evenemangsforum
Norrland
Västra Svealand och Gävleborg
Östra Svealand / Stockholm
Västra Götaland
Östra Götaland och Jönköping
Skåne och Blekinge
Internationellt
Garaget
Nyheter
Var finns jordningen till kombiinstrumentet på Volvo 944 94
Skriv svar
Filtrera
Visa alla inlägg
Visa endast trådstartarens inlägg
TeamS
170 Inlägg
28 augusti 2011
Trådstartare
#1
Som rubriken säger. Var finns denna jordning. Har fått ett ganska irriterande elfel och det borde vara jordningen som är kass, men jag kan inte hitta den. Tacksam för hjälp.
MVH Team S
Sponsorer:
LeifsBillackering
,
AutoGlym
,
Vianor
,
CarCraft
,
Nokian
Hemsida:
Team-s.nu
Citera
0
0
0
0
All reactions
Gilla
Håller med
Roligt
Informativt
ADiKO
MolnbyPerformance
365 Inlägg
28 augusti 2011
#2
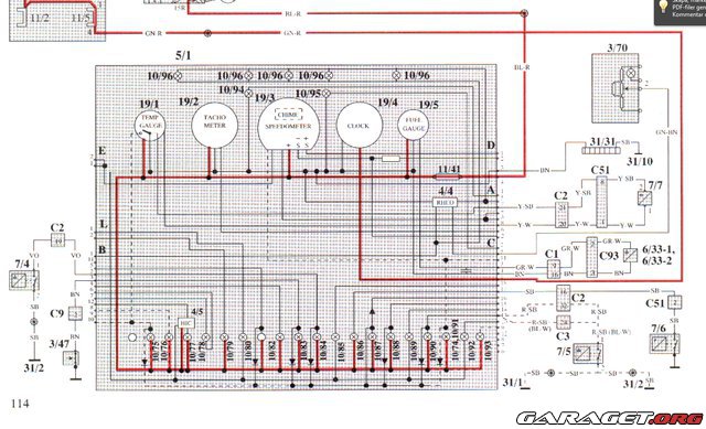
Så ser de ut
kan ta fram var jord plitarna sitter oxå om du vill
"inget är omöjligt- det omöjliga tar bara lite längre tid"
Volkswagen Passat TDI
"Tysken"
(1998)
Volvo 745 TDS
"Fnuffen"
(1992)
Volvo 745 Trionic 5
"Savon"
(1992)
Citera
0
0
0
0
All reactions
Gilla
Håller med
Roligt
Informativt
TeamS
170 Inlägg
29 augusti 2011
Trådstartare
#3
Du får gärna ta fram var jord plitarna sitter.
MVH Team S
Sponsorer:
LeifsBillackering
,
AutoGlym
,
Vianor
,
CarCraft
,
Nokian
Hemsida:
Team-s.nu
Citera
0
0
0
0
All reactions
Gilla
Håller med
Roligt
Informativt
Skriv svar
Filtrera
Visa alla inlägg
Visa endast trådstartarens inlägg
Senaste foruminläggen
Bromsar hackar vid låg fart, corolla
2 svar
Senaste inlägget av
zzr94092 för 1 timme sedan
i
Generell felsökning
Renault grand scénic , 2009 ? växelspak saknar kontakt med växelvajer
0 svar
Senaste inlägget av
Frostsyd för 3 timmar sedan
i
Chassi, bromsar, transmission och däck
Rydsbilglas eller Carglass?
16 svar
Senaste inlägget av
Frostsyd för 3 timmar sedan
i
Allmänt
Tempsensor på oljepluggen ( 700r4 automatlåda.)
2 svar
Senaste inlägget av
Low för 5 timmar sedan
i
Allmänt
Montera orginal dragkrok med elsats på min Kia Ceed 2016
0 svar
Senaste inlägget av
larze för 10 timmar sedan
i
Fordonsel och bilelektronik
Ett backljus Corolla Touring Sports
3 svar
Senaste inlägget av
granadadr för 11 timmar sedan
i
Allmänt
Passat - 06 2.0fsi Oljeläckage från oljekylare/oljefilterhus
1 svar
Senaste inlägget av
Maryllisch för 23 timmar sedan
i
Generell felsökning
Lite sportigare bil till kring 200.000?
69 svar
Senaste inlägget av
c20let2k Igår 22:49
i
Allmänt
Audi a4 1,8 2009 går på 3 cylindrar.
3 svar
Senaste inlägget av
Glansen Igår 22:27
i
Generell felsökning
Köpråd: Har någon här Starlink?
3 svar
Senaste inlägget av
Hamilton Igår 21:01
i
Off topic
Senaste projektinläggen
Antikrundan på 4 hjul! Ford Model T 1923
59 svar
Senaste inlägget av
Xebers76 för 10 minuter sedan
i
Projekt
Volvo S70 Elkonvertering Elbil
240 svar
Senaste inlägget av
Ev_volvo142 för 1 timme sedan
i
Projekt
Volvo 855 kap med b18
0 svar
Senaste inlägget av
Casperbob11 för 1 timme sedan
i
Projekt
Volkswagen split bus t1 1962
2531 svar
Senaste inlägget av
Dr_snuggels för 2 timmar sedan
i
Projekt
Patinerad fullsize Pro Touring
61 svar
Senaste inlägget av
Baldrik för 15 timmar sedan
i
Projekt
Ford Fiesta mk1
82 svar
Senaste inlägget av
Anton2000 Igår 20:58
i
Projekt
Porsche 996 Elkonvertering. Elbil
51 svar
Senaste inlägget av
Ev_volvo142 Igår 19:45
i
Projekt
Projekt Bmw 325 Touring Mtech ll
46 svar
Senaste inlägget av
Dotzie Igår 18:03
i
Projekt
Audi S8 - Operation Bi-turbo!
465 svar
Senaste inlägget av
Manick Igår 00:22
i
Projekt
Volvo 240 lite trim och blandat
108 svar
Senaste inlägget av
Blanke söndag 17:31
i
Projekt
Nyaste forumtrådarna
Volvo 855 kap med b18
0 svar
Senaste inlägget av
Casperbob11 för 1 timme sedan
i
Projekt
Renault grand scénic , 2009 ? växelspak saknar kontakt med växelvajer
0 svar
Senaste inlägget av
Frostsyd för 3 timmar sedan
i
Chassi, bromsar, transmission och däck
Bromsar hackar vid låg fart, corolla
2 svar
Senaste inlägget av
zzr94092 för 1 timme sedan
i
Generell felsökning
Tempsensor på oljepluggen ( 700r4 automatlåda.)
2 svar
Senaste inlägget av
Low för 5 timmar sedan
i
Allmänt
Montera orginal dragkrok med elsats på min Kia Ceed 2016
0 svar
Senaste inlägget av
larze för 10 timmar sedan
i
Fordonsel och bilelektronik
Ett backljus Corolla Touring Sports
3 svar
Senaste inlägget av
granadadr för 11 timmar sedan
i
Allmänt
Köpråd: Har någon här Starlink?
3 svar
Senaste inlägget av
Hamilton Igår 21:01
i
Off topic
Tips på bil typ Caddy/ MB T klass/ Berlingo 5/7 sits long/maxi ?
0 svar
Senaste inlägget av
KenthIJ2 Igår 15:31
i
Allmänt
Panamera - någon som ägt?
2 svar
Senaste inlägget av
PanameraV6 Igår 20:33
i
Allmänt
Audi a4 1,8 2009 går på 3 cylindrar.
3 svar
Senaste inlägget av
Glansen Igår 22:27
i
Generell felsökning
Logga in
Skapa konto
Sök
Start
Aktuellt
Introduktion
Communityregler
Annonsera
Hjälp
Övrig information
Bilar
Nya och uppdaterade
Bläddra
Sök
Nya bilder
Nya kommentarer
Topplistor
Slumpa bil
Slumpade bilder
Forum
Index
Sök
Forumregler
Projekt
Senast uppdaterade
Nya
Populära
Avslutade
Sök
Dina prenumerationer
Foton
Album
Bilder
Video
Videoklipp
Kategorier
Sök
Medlemssidor
Senast inloggade
Skapa ett nytt konto
Min sida