6892
Sök

Tips SAAB 9000 RWD

Pedal To The Metal
750 Inlägg
15 mars 2009
Trådstartare
#1
Hej alla glada. Jag letar efter ett nytt projekt.

Har hittat en SAAB 9000 -95 2.3i .

Tanken är att bygga den bakhjulsdriven. Vad tycker ni är bäst. Att vända motorn och ta en BMW/AUDI låda och bakaxel eller flytta hela motor/växelåda paketet till bakhjulen så man får mittmonterat?

Jag har gott om tid för projektet.

Kom med tips och idéer.


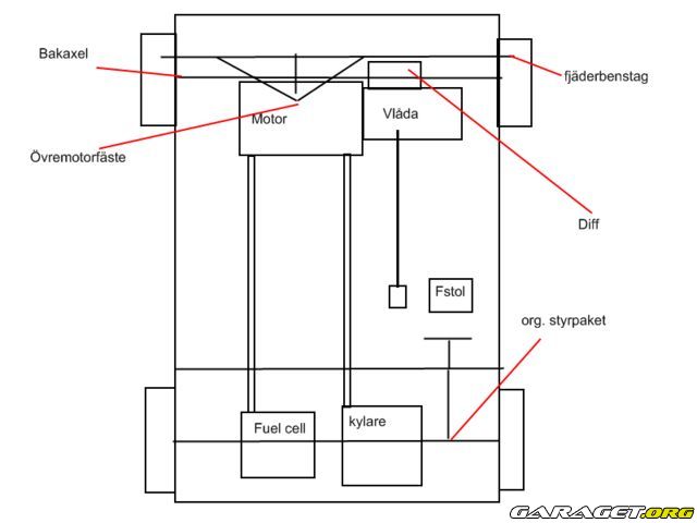
https://www1.garaget.org/gallery/archive/79593/595318_7se0sz.jpg
Skiss på hur det hela skulle se ut med mittmontering

Litesnabbt så e de så jag tänkte mej
Senast redigerat av Revotech (15 mars 2009)

Martin Karlsson -Plötsligt händer det

849 Inlägg
16 mars 2009
#2
Mittmonterat är ju alltid roligt, men det innebär ju som sagt mycket jobb.

Ska du regga bilen så?

Superior imports AB http://www.superiorimports.se
Rota fälgar: http://www.gand.nu

Pedal To The Metal
750 Inlägg
16 mars 2009
Trådstartare
#3
visst är det mycket jobb och mycket tänk. Men de e lite maffigt ändå smile

Mjaa regga som ombyggtfordon eller så håller jag mej till banan med den.   Åandrasidan så vore de kul å ha den som gat-bil

Martin Karlsson -Plötsligt händer det

4 682 Inlägg
16 mars 2009
#4
sväng motorn å använd en  R25/R28 låda, passar direkt på motorn.
här har du ett liknande projekt : http://forum.savarturbo.se/viewtopic.php?t=28965
EDIT: missade mig där , läste 900 istället för 9000 roll. e ju kortmotorn som passar direkt på R25/R28 lådorna .
Senast redigerat av Moparboy440 (17 mars 2009)

Allmänt envis
12 512 Inlägg
16 mars 2009
#5
Klart du ska gat-regga den! Så mycket roligare att kunna ta den på en sväng ute också! big_smile

Motorer är som människor; Behöver de andningshjälp står inte allt rätt till.

Pedal To The Metal
750 Inlägg
18 mars 2009
Trådstartare
#6
JA de klart.. men bilprovingen har ett rykte m att vara lite tjuriga hemma

Martin Karlsson -Plötsligt händer det

4 663 Inlägg
18 mars 2009
#7
nice big_smile en 9000 me bakhjulsdrift  verkar skoj big_smile det lär du nog ensam om, kommer att följa detta
lycka till 
mvh robin


Sök